如何为传感器应用选择精密放大器拓扑

来源:电子工程世界(EEWorld)

摘要

在精密信号链中,传感器之后的第一个模块通常是放大器电路,放大器电路必须放大目标信号,同时保证信号不失真。本文将讨论如何为传感器应用选择适当的精密放大器电路拓扑,并重点关注运算放大器、差动放大器、电流检测放大器、仪表放大器和全差动放大器。

引言

精密传感器长期以来一直是测量物理世界诸多参数的关键元件。随着精密测量应用的种类和数量增加,工程师设计的系统需要能够在干扰信号存在的情况下检测到较小幅度信号,同时保证信号不失真。这不仅需要选择适当的传感器,还需要精心设计完整的信号路径(从传感器到数据转换器),从而将模拟信号数字化。那么,对于特定的传感器应用而言,哪种放大器拓扑最为合适呢?选择时,需要考虑最终系统的目标和放大器电路的设计优先级。

在选择放大器拓扑时,首先要考虑的通常是确定传感器输出(和放大器输入)信号是单端信号还是差分信号。一些拓扑配置接受单端输入信号,一些则接受差分信号。此外,选择哪种放大器拓扑最合适将取决于我们希望放大器输出单端信号还是差分信号。

单端运算放大器拓扑

运算放大器(op amp)是一种用途极其广泛的放大器,最开始的设计目的是完成计算器所需的各种运算功能,因此而得名。如果是具有单端输入和单端输出的放大器电路,将使用由一对电阻提供适当反馈的简单运算放大器电路。当使用单端运算放大器电路来放大高精度信号时,通常在同相放大器和反相放大器这两种拓扑之间进行选择(图1)。这两种电路均采用一个反馈电阻和一个增益电阻。

图片图1.单端(a)同相放大器和(b)反相放大器。 图1.单端(a)同相放大器和(b)反相放大器。

图2显示了简单的单端输入、单端输出应用。ADI TMP35温度传感器输出的电压与温度成比例,灵敏度为10 mV/°C。然后,输出信号连接到单端同相放大器电路,传递函数为VOUT = G × VIN,其中G是电路的闭环增益,等于1 + (R2/R1)。例如,要检测0°C至50°C的温度范围,传感器的满量程输出范围将为10 mV/°C × 50°C = 500 mV。如果传感器输出要驱动具有5 V满量程输入范围的模数转换器(ADC),信号将需要按10 V/V的增益放大,以便利用ADC的整个输入动态范围。这可通过同相运算放大器电路实现,其中G = 1 + (9 kΩ/1 kΩ) = 10 V/V。

图片图2.单端温度传感器输出和同相放大器电路。

共模抑制

在放大器拓扑之间选择时,一个需要评估的关键因素是放大器电路有效抑制共模输入电压的能力(防止两个输入端所共有的信号电压在输出端表现出来),同时放大差模输入电压。共模抑制比(CMRR)是一个定量指标,用于衡量放大器电路在这方面的能力。CMRR越高,输出端的误差就越小。CMRR通常表示为两个增益之比:差模电压增益(ADIFF)相对于共模电压增益(ACM)的值,单位为dB。

图片

回想一下,理想运算放大器的输入端之间存在虚短,施加于一个输入端(+IN)的信号电压也将出现在另一个输入端(-IN);这就是运算放大器的共模电压。现代运算放大器的CMRR规格可达120 dB至140 dB,甚至更高。此级别的CMRR可使共模误差保持在最低水平,从而在输出端实现高精度。举个例子,如果运算放大器的CMRR规格为140 dB,仅0.00001%(或0.1 ppm)的运算放大器输入端共模电压将出现在输出端(VOUT)。对于最大输入范围为5 V的低压运算放大器,输出端的最大共模误差将仅为0.5 µV。但是,使用具有高输入电压范围(例如50 V)的运算放大器会导致输出端出现5 µV的误差。这是否成为一个问题,取决于系统设计的要求。如果共模误差超出特定系统设计的可接受限度,则需要使用能够最大限度减少这种误差的电路。

在同相拓扑(图1a)中,运算放大器输入+IN和–IN将等于信号输入(VIN),因此信号电压的任何增加都会导致运算放大器输入引脚处的共模电压增加,并且输出端的共模误差也会增加。或者,考虑使用反相放大器电路(图1b)。在此拓扑中,+IN输入(于是–IN输入)接地。由于输入共模电压为0V,因此可以避免输入端的任何共模电压,以及由此产生的输出端共模误差。

差动放大器

许多传感器将其输出呈现为差分信号,测量的物理特性由两个电压之差来表示。使用具有差分输出的传感器的一个好处是,具有差分输入和高共模抑制规格的放大器可以抑制传感器两个输出端出现的任何电压,即共模电压。

除了抑制传感器输出端的共模电压,系统中的差模信号还有其他好处。一个好处是高共模抑制使系统更加稳固,能够抵抗电磁干扰(EMI)。外部EMI会将噪声引入差模信号的两个导体;差动放大器会抑制这种共模噪声,保留并放大目标差模信号,从而获得出色的信噪比(SNR)。差模信号的另一个好处在于,其幅度是单端信号的两倍,这相当于SNR增加了6 dB。输出信号幅度加倍使差分输入放大器在低电源电压应用中非常有用,在此类应用中,电压范围不足以允许大信号摆幅。

用于放大精密差模信号的基本拓扑是差动放大器(图3)。差动放大器接受差分输入信号,抑制共模电压(VCM),放大差分输入电压(VDIFF),并输出与两个输入电压之差成比例的放大单端信号。其传递函数为VOUT = G × (VDIFF),其中VDIFF为(V2 – V1),G为放大器电路的增益,等于比率(R2/R1)。

与单端放大器不同,共模电压是电路的两个输入端(V1和V2)所共有的电压,而不是运算放大器输入端+IN和–IN所共有的电压。共模电压定义为两个输入电压的平均值,VCM = (V2 + V1)/2。例如,当V1为5 V且V2为3 V时,共模输入电压将为4 V,差模电压将为2 V。该2 V差模信号将在输出端放大。

如前所述,带有差分输入的放大器的共模抑制比表示为CMRR = 20 × log10 (ADIFF/ACM)。请注意,由于差分增益(ADIFF)增加且共模增益(ACM)降低,共模抑制会随着差分增益成比例改进。这是一项重大优势,使我们能够同时实现更高的增益和更高的CMRR。另外需要注意的是,CMRR会随着频率的增加而降低,因此务必选择在目标信号频率下具有所需抑制能力的差动放大器。

图片图3.差动放大器电路。 图3.差动放大器电路。

电阻容差和放大器精度

差动放大器电路的CMRR在很大程度上取决于R2/R1之比和R2’/R1’之比的匹配程度。当放大器电路由分立元件组成时(如图3所示),可能很难实现良好匹配。例如,精密运算放大器的CMRR规格可达到140 dB或更高。但即便是理想的运算放大器,假设有一个4电阻差动放大器电路使用容差为0.1%的电阻且增益为1,如果在该电路中使用理想运算放大器,该电路只能实现54 dB的最小CMRR。1 54 dB的CMRR大约相当于仅9位ADC的精度。这对于一些应用来说可能已经足够,但高精度应用需要更好的CMRR,因此需要更好的电阻匹配。放大器电路的另一个重要规格是增益精度。若要放大信号以获得特定增益,需要为R2、R1、R1'和R2'选择特定的电阻值。任何偏离标称电阻值的容差都会导致比率不匹配,从而造成增益误差。由于所有电阻的阻值都随着温度而变化,因此增益温漂会产生相应的误差。分立放大器电路的这些问题可通过良好匹配的电阻网络来缓解,例如电阻比匹配率为0.01%的ADI LT5400系列,或匹配率为0.003%的LT5401系列。

为了达到最高精度,所有这些挑战(CMRR降低、增益误差增加和增益温漂增加)以及印刷电路板上的温度梯度、寄生电容等其他问题,都可以通过使用集成差动放大器得到大幅缓解,其中放大器和电阻都置于单芯片集成电路(IC)上。由于每个IC上的电阻值在生产过程中都精确匹配,因此集成差动放大器的CMRR规格非常高,且增益误差非常低。此外,由于它们位于同一裸片上,并由相同的材料制成,每个电阻往往接近相同的温度并具有相同的温度系数,因此它们的阻值将在温度范围内表现出类似的变化,使得电阻比的变化非常小,因此增益温漂也极低。许多集成差动放大器的CMRR规格高达80 dB至90 dB,甚至更高,增益误差为0.005%至0.02%,增益温漂低至1 ppm/°C。

下面看看ADI的集成式LT1997-1差动放大器,如图4所示。该放大器的额定最小CMRR超过100 dB,十分出色,相当于大约17位的精度。其典型增益误差为±0.01%,典型增益温漂超低,为±0.2 ppm/°C。一个额外的好处是,通过集成多个具有不同值的集成电阻,系统设计人员可选择针对不同增益进行配置。对于LT1997-1,多个集成电阻允许针对从0.141 V/V到80 V/V的24个独特放大(和衰减)增益进行配置,且不使用外部元件。

图片图4.LT1997-1集成差动放大器(针对10 V/V的增益配置)。

通过差动放大器实现电流检测

精密电流检测是差动放大器的一个热门应用,相关示例如图5所示。流向负载的电流会流经一个超低阻值的分流(检测)电阻。分流电阻上的电压与负载电流成正比。被检测的电流会在分流电阻上产生成比例的小差模电压。为了利用模数转换器的整个输入电压范围,该小电压会被放大。

图5中的电路被称为高边电流检测,因为分流电阻放置(正在测量电流)在电源和负载之间;这不是低边检测,在低边检测中,分流电阻位于负载和地之间。高边电流检测有诸多优势,其中一个优势是可以在负载处检测到对地短路。

对于高边差模电流检测,必须考虑两个电压:差模电压(VDIFF),即输入V2和输入V1之间的信号电压(分流电阻上的电压);还有共模电压(VCM),存在于V2和V1上。在此示例中,运算放大器的+IN输入为电压VSUPPLY(或VLOAD + VDIFF),运算放大器的–IN输入为电压VLOAD(或VSUPPLY – VDIFF)。差动放大器将放大差模电压并抑制共模电压。

图片图5.使用差动放大器放大精密差模信号。

在高边电流检测等许多应用中,共模输入电压可能远大于差模电压的幅度。事实上,共模输入电压通常远大于运算放大器的电源电压,有时高达数百伏。由于输出端的共模误差与输入端的共模电压成正比,因此具有极高共模输入电压的系统需要相应的高CMRR,才能获得精确的模拟输出信号。差动放大器的一个关键特性是,它能够抑制高共模电压,远超出电源电压范围。这是可能做到的,因为每个输入端的电阻网络会衰减输入电压V1和V2,直至运算放大器输入+IN和–IN在额定输入电压范围内。例如,ADI公司的AD8479接受±600 V的共模输入电压和±15 V的电源电压。

电平转换

差动放大器电路的另一个好处是,它可以非常轻松地对输出电压进行电平转换。为此,许多差动放大器都包含基准输入。当输入端之间的差值为零时,向基准输入引脚施加电压可将输出设置为该电压。借助此功能,我们能够将放大器输出与选定的基准电压对齐,比如电源电压的一半,以通过单电源进行双向检测(图6);或ADC输入电压范围的中点,以实现最佳动态范围(图7)。

图片图6.电平转换,使输出电压始终以电源电压的一半为参考。

举个例子,如果有一个信号在±2.5 V之间振荡,并且目标是将该信号馈入输入电压范围为0 V至5 V的ADC,那么需要将信号集中于ADC满量程输入电压范围的一半,以便利用整个输入范围。图7显示了实现此目标的直接方法。或者,可以向两个REF输入引脚施加单电压,以直接建立输出偏置电压。

图片图7.电平转换,使输出以ADC基准电压的一半为参考。

电流检测放大器

如前所述,单芯片差动放大器适合许多应用,其中一个常见的应用是使用低阻值分流电阻进行电流检测。虽然差动放大器适用于许多电流检测应用,但通过对电流检测放大器提供的某些特性和规格进行优化,其他应用也可从中受益。这些专用放大器的架构通常与差动放大器不同。CSA往往使用高电压输入晶体管,以直接接受快速变化的大共模电压,同时精确放大小的差模分流电压(图8),而不是使用输入电阻网络来衰减输入电压。

图片图8.电流检测放大器的示例。

在差动放大器中,输入差模信号在内部由电阻网络衰减,然后放大到其原始输入电平,再加上更多增益,从而在输出端实现最终信号放大。将衰减的输入恢复到原始信号幅度会消耗内部放大器的部分增益带宽积,为了获得额外的增益而放弃一些带宽。由于大多数CSA的高压输入晶体管不衰减信号,因此不需要增益来恢复信号幅度,并且内部运算放大器提供更多可用带宽来放大信号。例如,AD8206差动放大器的小信号-3 dB带宽为100 kHz,而AD8210电流检测放大器的带宽为450 kHz。CSA的带宽增加使其非常适合高频应用,或者适合在检测快速电流瞬变时使用。

此外,与CMRR为80 dB至100 dB的大多数差动放大器相比,CSA往往具有更高的共模抑制比,范围在100 dB至120 dB,甚至更高。请注意,CSA的大带宽有一个缺点,那就是它不具备内部衰减网络,因此无法像差动放大器一样接受非常高的共模输入电压电平,但CSA共模电压限值仍然非常高,介于80 V到100 V之间。

CSA通常用于测量大开关电流。在负载的高边测量开关电流(即分流电阻上的差模电压)时,分流电阻的共模电压通常可以在接地和电源电压之间快速变化。共模电压的快速变化会在放大器输入端引起大瞬变。这些共模电压瞬变经常会超过信号幅度。理想情况下,放大器产生的输出仅反映放大的差模检测电压。实际上,共模阶跃响应可能出现在输出端。CSA专门用于抑制此类快速变化的共模电压阶跃产生的共模瞬态尖峰,因此非常适合对幅度快速变化的信号进行电流检测。

图9显示了ADI公司的AD8418 CSA所实现的阶跃响应和瞬态抑制。共模输入电压为15 V,放大器的输入瞬变过冲共模电压超出50%。产生的共模阶跃响应表现为仅36 mV的短暂输出扰动。

图片图9.AD8418共模瞬态电压响应(VSUPPLY = 5 V)。

举个例子,在典型的三相电机控制系统中测量相位电流时,会发生共模电压快速切换,在该场景中,控制器将脉宽调制(PWM)信号驱动到逆变器级,然后逆变器级驱动电机的每一侧(图10)。分流电阻与电机并排放置。利用分流电阻上瞬时电流测量的差模电压反馈,控制器能够确定每个信号的相位。通过每个PWM脉冲,分流电阻上的共模电压在V–和V+之间的整个电源电压范围内快速步进。这些快速PWM步进要求放大器具有高带宽,且能够在上升沿和下降沿抑制高瞬态过冲。ADI公司的AD8411A在输入端集成了共模电压范围高达70 V的精密内部电阻分压器网络,采用2.7 MHz高带宽,并包含去毛刺电路,以通过降低快速开关输入信号的影响来实现输出精度,因此非常适合这类应用。

图片图10.三相电机控制电流测量。

仪表放大器

到目前为止讨论的差分输入放大器拓扑(差动放大器和电流检测放大器)非常适合用于在广泛应用中放大差模信号,特别是在存在极高共模电压的情况下。对于需要在高共模电压中(包括噪声)以高精度放大极小信号的应用,使用具有更高精度的放大器必不可少。仪表放大器(in-amps)专为这些严苛的应用而设计。

与仪表放大器相比,差动放大器的一个潜在局限是输入阻抗相对较低。另一个局限是每个放大器输入的阻抗不相等。要了解这些局限的影响,可参考惠斯通电桥(图11)中的差模信号(V2 – V1)放大,这种配置广泛用于各种传感器。首先要考虑的是,许多电桥的输出阻抗较高,却要驱动相对较低的放大器输入阻抗,这可能是个问题。例如,当电桥输出阻抗为4 kΩ,差动放大器输入阻抗为200 kΩ时,其输出阻抗上将损失2%的传感器信号,这将导致测量精度降低。第二个要考虑的是,差动放大器的输入阻抗不相等,这将导致电桥电路两侧的压降不同,从而产生差模电压误差。为了解决这些问题,所使用的放大器需要具有更高的输入阻抗,在电桥输出上呈现平衡负载,并具有出色的CMRR。这些都是仪表放大器的主要特性和优点。

图片图11.惠斯通电桥

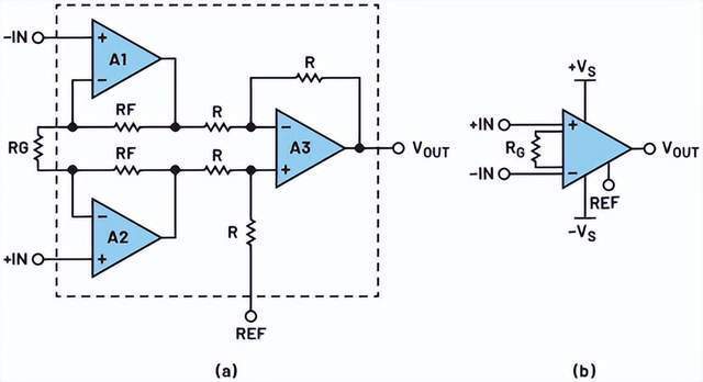
观察经典的3运算放大器仪表放大器(图12a),两个运算放大器A1和A2组成第一级(称为前置放大器级),第三个运算放大器A3用于第二级(称为减法器)。减法器级可识别为熟悉的差动放大器拓扑。放大器A1和A2提供平衡且极高的输入阻抗。此外,它们会放大差模输入电压,而将共模电压直接传递而不进行放大。A3处的减法器级会抑制共模电压,并将放大的差模电压传递至输出端。这种拓扑的另一个特性是,系统设计人员可以通过单个外部电阻(RG)设置增益,因而无需匹配分立电阻比。这种拓扑非常适合用于放大非常小的信号并抑制高共模电压。该仪表放大器的传递函数为VOUT = G × (VDIFF) + VREF,其中VDIFF为(V+IN – V+IN),G是仪表放大器的增益,VREF是施加到REF输入端的电压,用于对输出电压进行电平搬移。

欢迎搜索“电子工程世界”了解学习更多技术干货。

与差动放大器一样,集成仪表放大器(图12b)也受益于单芯片裸片上精确匹配的电阻。虽然集成差动放大器的共模抑制范围可能介于90 dB至100 dB之间,但许多仪表放大器的CMRR规格可达130 dB至140 dB,甚至更高。这得益于仪表放大器的大差模增益。在前面的电桥示例中,假设电桥源电阻为4 kΩ,而ADI AD8422仪表放大器的输入电阻为200 GΩ,源信号损耗非常小,为0.000002% (0.02 ppm)。此外,仪表放大器的输入偏置电流往往远低于差动放大器。因此,当输入偏置电流流过任何源电阻时,产生的电压误差将较小。

图片图12.(a) 3运算放大器仪表放大器拓扑和(b)单芯片仪表放大器集成电路。

全差分放大器

前文探索了具有单输入和差分输入的放大器拓扑,这些拓扑均具有单端输出。在精密信号放大器电路设计中,可能需要生成差分输出信号。具有差分输入和差分输出的放大器被称为全差分放大器(有时缩写为FDA或diff-amp)。集成FDA用途广泛,能够放大单端或差分输入信号。在抑制输入共模电压、放大差分输入电压和提供差分输出信号方面,FDA均表现出色。通过为基准输入引脚施加所需的电压电平,可确定输出共模电压(VOCM)。

图片图13.全差分放大器驱动高精度ADC(参考电路笔记CN-0310)。

FDA的一个常见应用是驱动高性能ADC的差分输入。在这种情况下,FDA可用于将小输入信号放大到ADC的输入电压范围内,或将大输入信号衰减到ADC的输入电压范围内。图13显示了ADI公司的AD8475FDA接收来自传感器的差分输入信号,然后驱动24位、250 kSPS Σ-Δ ADC(AD7176-2)的差分输入。在该应用中,放大器的VOCM输入由ADC的基准输出驱动,以将共模电压设置为适合ADC输入动态范围的电平。

FDA的另一个普遍应用是将单端输入信号转换为差分输出信号。许多传感器会输出高精度单端信号。在放大或衰减信号并随后驱动差分ADC输入时,需要将单端信号转换为差分信号。FDA非常适合执行此类任务。图14显示了这种配置,将一个放大器输入接地,并使用单端信号驱动另一个输入。除了调理ADC差分输入的信号,转换为差分输出还能够使信号幅度加倍(6 dB),从而提高SNR并优化数字化信号的有效分辨率。

图片图14.单端至差分信号转换。

结论

对于精密信号调理电路,放大器拓扑的选择取决于多个考虑因素。一些优先考虑因素包括信号类型(单端或差分)、信号源阻抗(例如,传感器)、所需的共模抑制和增益精度。通过利用本文中介绍的各种放大器拓扑,外加ADI公司提供的采用所有这些拓扑的放大器,系统设计人员能够将合适的放大器与自身的应用相匹配,从而实现理想的系统性能。

作者声明:个人观点,仅供参考