拆解分析比亚迪的动力域控制器:悄然击败特斯拉的架构

在汽车行业中,“电子电气(E/E)架构”是高频提及的核心概念,但关于ECU如何实现真正的集中化集成,行业内却鲜有直观且深入的展示。

本期内容将针对“比亚迪海豹”的动力域控制器,进行系统性拆解与专业技术分析,重点解析比亚迪在新一代电动汽车核心电力电子部件上的架构设计思路与高度集成方案。

我们将系统阐述其顶层设计理念、功能模块划分,以及动力域控制器在电池、逆变器、车载辅助负载与整车电气子系统之间的能量调度与管理逻辑,并从工程视角拆解硬件架构、核心功率半导体选型、热管理方案及控制策略集成。

本次深度分析面向电动汽车研发工程师、电力电子设计人员、行业科研人员,以及所有希望深入探究现代电动汽车底层技术与内部构造的专业人士。

RoRe Academy丨信源

汽车开发圈丨出品

第一部分:动力域控制器

比亚迪海豹为四驱纯电动乘用车,0~100km/h 加速时间仅3.8秒,性能表现跻身高端纯电动车型行列。综合城市低速与高速工况循环测试,该车续航里程可达约570公里,依托容量为 82.5kWh 的动力电池包,在动力输出、能量密度与长途续航能力之间实现了优异平衡。

从电动汽车工程技术角度分析,比亚迪海豹在快充性能方面具备显著优势。车辆支持最高 150kW直流快充,电量由30%充至80%仅需约26分钟,充电策略与电池热管理系统、充电效率曲线高度匹配,在大幅缩短补能时长的同时,有效降低电池老化速率。日常使用场景下,11kW车载交流充电机可满足家用及办公场景下的二级交流充电需求,依托常规基础设施即可实现夜间稳定补能。大功率直流快充与高效交流充电的组合,使车辆同时适配长途出行与日常通勤使用场景。

比亚迪海豹动力总成的核心,是其新一代八合一动力域控制器。该集成单元作为整车电控核心,峰值输出功率达235kW,峰值电流最高550A,并搭载高效水冷散热系统,确保高负荷工况下的系统热稳定性。

这一架构的突出亮点在于高度集成化。

图片

动力域控制器将整车控制器(VCU)、电池管理系统(BMS)、高压配电单元(PDU)、直流转直流转换器(DC/DC Converter)、车载充电机(OBC)及驱动逆变器(Traction Inverter)六大核心电控部件,整合为单一高度集成化模块。该高集成度功能设计,可有效降低整车电控系统复杂度、提升能量转换效率、优化全域热管理性能,并实现电控系统的快速响应,上述优势均为研发高性能、高可靠性纯电动汽车的核心技术支撑,是保障整车动力性能与运行稳定性的关键前提。

图片

拆解后可以看出,该集成单元内部集成多个关键硬件部件,具体包括:输出电流传感器模块、直流母线电容模块、大功率熔断器、两只高压功率继电器、碳化硅功率模块(SiC Power Module)及专用直流电流传感器。各核心部件在高压、大电流及高速开关的严苛工况下各司其职、协同工作,可有效保障能量转换的高效性、电流检测的精准度,同时实现全工况范围内电控系统的可靠保护,为整车稳定运行提供硬件层面的核心保障。

图片

进一步拆解OBC(车载充电器)和DC/DC,分为四块独立分板,每块子板在功率转换系统中承担特定功能:

  • 第一块分板负责车载充电机控制,管理充电逻辑与通信;

  • 第二块分板专门用于电磁干扰抑制,满足汽车电磁兼容(EMC)要求;

  • 第三块分板提供低压电源,为辅助电子设备与控制电路供电;

  • 第四块分板负责直流转直流转换器控制,实现高压到低压的电源转换。

这种模块化设计提升了可维修性、噪声控制与功能隔离效果,同时保证高效稳定运行。

图片

动力域控制器内的其余印制电路板构成了系统的核心控制与检测架构,包括逆变器控制板、主处理板、三相电流传感器板、直流电流传感器板与低压滤波板。这些电路板共同完成实时控制、信号处理、电流检测与噪声滤波,实现逆变器精准运行、功率精准监测与整个动力总成稳定的低压供电。

图片

第二部分:驱动逆变器

驱动逆变器是将动力电池直流电转换为驱动电机三相交流电的核心电力电子子系统。

拆解可见其关键硬件:输出电流传感器模块、直流母线电容模块、大功率熔断器、两组高压功率继电器、碳化硅功率模块及专用直流电流传感器。上述部件在高压、大电流、高频开关工况下协同工作,保障全工况范围内高效能量转换、精准电流采样与可靠系统保护。

图片

图片

比亚迪碳化硅功率模块BM840F12B34U2基于自研SiC MOSFET芯片技术,具备低开关损耗特性,可在1~30 kHz开关频率区间内高效工作,适用于高性能驱动逆变器场景。本节将通过芯片截面电镜图、芯片布局光学图与截面显微图,直观展示器件结构、叠层设计与封装工艺,揭示其电气性能与热性能的实现路径。

该模块额定漏源电压1200V,额定漏极电流500A,适配大功率电动汽车驱动逆变器。栅源工作电压范围为-5V~+18V,可实现稳定栅控、快速开关与严苛工况下的可靠运行。

图片

图片

下图为比亚迪SiC功率模块BM840F12B34U2的封装结构,清晰呈现三相逆变器拓扑与直流正负极(P/N)端子定义。模块集成完整三相功率单元,专为车载驱动逆变器设计,具备高集成度、低寄生电感、高压大电流高效变换等特点。

图片

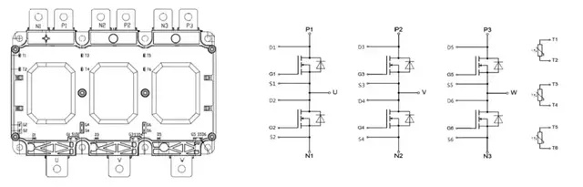
比亚迪海豹动力域控制器中的驱动逆变器采用三相两电平电压源型拓扑,将动力电池高压直流电转化为驱动电机所需的可控三相交流电。

逆变器核心为直流母线电容模块,负责稳定母线电压、吸收高频纹波、抑制开关过冲,保证高负载、高开关频率下逆变器稳定工作。

功率变换由比亚迪BM840F12B34U2碳化硅功率模块完成,模块内置基于先进SiC MOSFET的三相开关桥臂。模块上方布置逆变器控制PCB,提供门极驱动、保护与实时控制,可有效降低寄生电感、提升开关动态性能。

逆变器输出端采用专用电流传感器实现高精度采样,为扭矩控制、效率优化与功能安全提供支撑。整套系统形成高度集成化的高性能驱动逆变器,专为新一代电动汽车平台优化设计。

图片

第三部分:车载充电机

接下来拆解比亚迪海豹动力域控制器的车载充电机,深入解析其结构、布局与在动力域控制器中的集成方式。

车载充电机是将电网交流电转换为稳压直流电为电池充电的关键部件。在比亚迪海豹上,该功能完全集成于动力域控制器中,助力系统实现高功率密度与功能整合。

首先,我们来拆解动力域控制器内部车载充电机的物理架构。比亚迪海豹的一大亮点是其高度集成的电驱动单元。该电驱动单元将八大子系统整合为紧凑的整车级动力总成架构,旨在提升效率、减少线束并简化系统集成。

电驱动单元的核心为动力域控制器(PDC),其单体即集成了六大关键电力电子与控制功能:

  • 电机控制器(驱动逆变器):逆变器峰值功率可达230kW,采用碳化硅(SiC)MOSFET 技术,可实现更高开关频率、更低导通损耗与更优散热性能。该架构下逆变器与驱动电机协同工作,支持从400V电池系统向等效800V驱动能力升级,显著提升大功率工况下的系统效率;

  • 车载充电机(OBC):支持11kW交流慢充与最高150kW直流快充,并具备车辆对外放电(V2L)功能,最大输出功率3kW,可将车辆作为移动式储能电源使用;

  • 高压配电单元(PDU):负责充电接口、驱动逆变器、驱动电机与高压电池包之间的高压功率路由与分配,是整车高压电气系统的核心配电枢纽;

  • DC/DC转换器:将高压电池电压降压转换,为整车低压电气负载、辅助部件及控制电路供电,保障系统稳定工作;

  • 电池管理系统(BMS):实时监测单体电芯电压、温度与电流,实现电池安全管控、性能优化与寿命保障;

  • 整车控制器(VCU):统筹协调各子系统运行,负责扭矩指令管理、能量流调度、充电模式控制及安全策略执行,为整个动力总成的核心控制单元。

在动力域控制器之外,电驱动单元还集成了电机与变速箱,组成高度集成的驱动单元,专为高效率、高功率密度与低系统复杂度设计。这种集成水平代表了现代电动汽车动力总成设计的重大转变。

图片

我们先从系统层面快速了解动力域控制器,重点看上下部分与外部接口,暂不深入内部电路。

动力域控制器最上方集中了大部分高级接口:可以看到高压电池接口,直接连接车辆主电池包,作为整个动力总成的主要能量输入;旁边是冷却液接口,构成热管理回路的一部分,可将逆变器、直流转直流转换器、车载充电机等高功率部件的热量导出;还有直流快充接口,在快充时将大功率直流电直接导入系统,绕过车载交流充电机;旁边是交流充电接口,用于常规交流充电,由动力域控制器内部的车载充电机处理电网电能。

转到低压接口:12V接口为车辆辅助设备与控制系统供电,通常由内部直流转直流转换器提供。最后是通信接口,负责动力域控制器与车辆其他部分的数据交换,实现控制、诊断与安全监测。

动力域控制器底部主要是电机接口,这是驱动逆变器的大功率三相输出,将受控电能直接输送给驱动电机。

图片

接着拆解车载充电机与DC/DC转换器功率板,展示其模块化内部结构。该总成分为四块独立分板,每块子板在功率转换系统中承担特定功能:

  • 第一块分板负责车载充电机控制,管理充电逻辑与通信;

  • 第二块分板专门用于电磁干扰抑制,满足汽车电磁兼容要求;

  • 第三块分板提供低压电源,为辅助电子设备与控制电路供电;

  • 第四块分板负责直流转直流转换器控制,实现高压到低压的电源转换。

这种模块化设计提升了可维修性、噪声控制与功能隔离效果,同时保证高效稳定运行。

图片

作者声明:个人观点,仅供参考