台积电光刻技术的创新

图片

在当今世界,半导体产业是技术创新的核心。从智能手机和笔记本电脑到先进的医疗设备和人工智能系统,几乎所有现代电子产品都依赖于日益精密的微芯片。推动这一进步的领军企业之一是台积电,它是全球最大的纯半导体代工厂。凭借持续的研究、先进的制造技术和积极的规模化战略,台积电在拓展芯片制造的极限方面发挥了关键作用。


随着半导体技术的进步,缩小器件尺寸成为一项至关重要的目标。更小的晶体管能够实现更高的器件密度、更快的开关速度和更低的功耗。然而,尺寸缩小也带来了巨大的工程挑战。在5纳米及更小的工艺节点上,即使是微小的图案偏差也会显著影响器件的性能和良率。当相邻结构之间的距离接近几十纳米时,精确控制这些距离(例如“端到端”间距)变得越来越困难。


图片


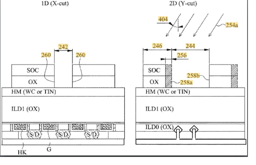
传统光刻工艺通常需要多次图案化和蚀刻步骤才能实现极小的间距。在早期方法中,形成端到端距离非常小的图案可能需要三个独立的光刻步骤以及多个蚀刻阶段。每增加一个步骤都会增加生产时间、成本以及对准误差的可能性。掩模之间的套刻误差会导致关键尺寸偏差,从而对器件可靠性和制造良率产生负面影响。因此,在保持或提高精度的同时减少工艺步骤是先进半导体制造的关键目标。


一项重要的创新在于,利用单一光刻工艺结合精心设计的蚀刻技术,实现小于35纳米的端到端距离。这种方法并非依赖多次图案转移,而是首先利用先进的光刻技术(例如极紫外光刻)在光刻胶层中形成单向特征。极紫外光刻使用波长极短的光,能够形成比以往深紫外光刻系统更小的特征。通过精心设计初始图案,然后应用可控角度的蚀刻工艺,可以在不改变特征宽度的情况下调整其有效长度。


斜角蚀刻技术尤为重要。通过将离子束以特定角度照射到衬底表面,工程师可以有选择地修整或扩展图案结构的特定尺寸。例如,可以增加沿某一方向的特征长度,从而减小相邻特征之间的间距。这使得最终图案的间距比光刻掩模中最初定义的间距更小。重要的是,该方法在仅调整所需轴向的同时,保持了关键的宽度尺寸,从而实现了精确的尺寸控制。


这种工艺优化具有多项优势。首先,它将所需的光刻步骤从三个减少到一个,从而缩短了周期时间并降低了制造成本。光刻是半导体制造中最昂贵、最耗时的步骤之一,因此即使减少一个光刻步骤也能带来显著的经济效益。其次,更少的工艺步骤降低了累积缺陷和错位误差的风险,从而提高了整体良率和器件可靠性。第三,精简的工艺流程提高了高产量制造环境下的生产效率,从而能够更快地将先进芯片推向市场。


在诸如FinFET等广泛应用于先进工艺节点的器件中,精确的图案控制至关重要。FinFET架构依赖于三维沟道结构,与平面晶体管相比,这种结构能够更好地控制静电。然而,其三维几何结构也增加了制造工艺的复杂性。保持触点、栅极和互连线之间一致的间距,是确保良好电气隔离和性能的关键。能够在不增加工艺复杂性的前提下实现更小端到端距离的技术,将直接支持FinFET及未来晶体管架构的持续微缩。


归根结底,半导体制造领域的创新不仅仅在于缩小芯片尺寸,更在于如何高效、可靠且经济地实现这一目标。像台积电这样的公司持续加大对工艺集成、材料工程和先进图形化技术的投资,以确保在5纳米节点之后继续取得进展。通过将先进的光刻技术与创新的蚀刻策略相结合,半导体行业能够克服曾经看似无法逾越的尺寸缩小障碍。


随着人工智能、5G通信、自动驾驶汽车和高性能计算等技术的推动,全球对计算能力的需求不断增长,此类创新的重要性只会与日俱增。以极高的精度控制纳米级距离的能力,不仅是一项技术成就,更是一项塑造现代技术未来的基石。


参考链接

https://semiwiki.com/semiconductor-manufacturers/tsmc/366877-tsmc-process-simplification-for-advanced-nodes/


(来源:编译自semiwiki

*免责声明:本文由作者原创。文章内容系作者个人观点,半导体行业观察转载仅为了传达一种不同的观点,不代表半导体行业观察对该观点赞同或支持,如果有任何异议,欢迎联系半导体行业观察。