小米生态链的精致小巧之作,米物45W小魔方氮化镓充电器拆解

前言

最近充电头网拿到了米物一款45W充电器,这款产品基于知名厂商英集芯科技全套合封氮化镓电源方案进行设计,正如其“小魔方”的称号一样,整体做得相当小巧,堪称45W功率级产品中的迷你款。

而作为小米生态链消费电子品牌企业之一,米物的产品自然会被拿来与小米的进行对比,和小米的小布丁系列快充相比,米物这款不仅仅是小,外观设计也更加精美,此外还能支持小米48W澎湃秒充,同样可以满足米系手机快充需求。下面我们就来看看产品的具体设计。

米物45W小魔方氮化镓充电器开箱

图片

包装盒正面印有MIIIW品牌、产品套装外观、名称以及卖点。

图片

背面印有产品参数、制造商信息以及相关认证等。

图片

包装盒上参数特写,下面到产品实物展示环节再介绍。

图片

包装内含米物45W小魔方氮化镓充电器、数据线、使用说明书等。

图片

附带USB-C数据线为编织线类型,同时端子外壳采用金属材质并喷漆处理,正背面设计MIIIW品牌和闪电logo,不仅更加耐磨耐用,而且精致美观有档次。

图片

测得数据线长度约为104cm。

图片

米物45W小魔方氮化镓充电器采用灰色主体外壳搭配顶部银色金属光泽面板设计,整体十分小巧精致。

图片

机身正面印有MIIIW品牌和CA345。

图片

另一面印有45W和GaN,直观表明这是一款45W氮化镓充电器。

图片

机身两侧面板采用凹凸纹理设计,提升用户插拔手感,细节设计讲究。

图片

底部两侧加入双翼设计,外壳上印有产品参数信息。

图片

充电器参数特写

产品型号:iCA4501

输入参数:110-240V~50/60Hz 1.2A

输出参数:5V3A、9V3A、15V3A、20V2.25A 45W MAX

PPS:5-11V4.1A 45W MAX

PPS:5-16V3A 45W MAX

制造商:北京米物科技有限公司

充电器通过了国家CCC认证。

图片

充电器配备符合新国标标准的半包胶折叠插脚,更加便携同时有效避免误触风险。

图片

机身顶部配备USB-C接口,接口旁印有相应输出功率参数。

图片

实测充电器机身长度为37.98mm。

图片

宽度为32.03mm。

图片

厚度为31.99mm。

图片

和苹果40W充电器放在一起对比,体积要更小一点。

图片

产品拿在手上的大小直观感受,显得十分小巧。

图片

另外测得充电器重量约为64g。

图片

使用ChargerLAB POWER-Z KM003C测得USB-C口支持QC3.0/5、FCP、SCP、AFC、PD3.0、PPS、DCP、Apple 2.4A充电协议。

图片

PDO报文显示具备5V3A、9V3A、15V3A、20V2.25A四组固定电压档位,以及5-11V4.1A、5-16V3A两组PPS电压档位。此外还测得充电器支持小米48W澎湃秒充,可满足小米手机快充需求。

米物45W小魔方氮化镓充电器拆解

图片

将充电器输入端外壳拆开,采用超声波焊接封装。

图片

插脚使用塑料盖板以及螺丝进行固定,并贴绝缘胶带处理。

图片

将PCBA模块取出。

图片

测得PCBA模块长度为33.13mm。

图片

宽度为27.26mm。

图片

厚度为27.21mm。

图片

PCBA模块前后端填充导热胶处理。

图片

侧面小板还贴有导热垫。

图片

模块底部也覆盖导热垫辅助散热。

图片

将导热胶和导热垫清理掉,PCBA模块由双小板堆叠设计,变压器与下方电容之间设有塑料壳进行隔离绝缘。

图片

将模块拆分开,方便对器件进行观察了解。

图片

底部小板正面设有贴片保险丝、共模电感、NTC热敏电阻、同步整流控制器、滤波固态电容以及VBUS开关管。

图片

背面设有整流桥、同步整流管以及协议芯片。

图片

侧边小板正面设有工字电感、高压滤波电解电容以及变压器。

图片

背面设有电源主控芯片、光耦以及贴片Y电容。

图片

贴片保险丝来自蓝宝,额定电流3.15A。

图片

共模电感双线绕制,用于滤除EMI干扰。

图片

NTC热敏电阻用于抑制上电浪涌电流。

图片

WRMSB40M整流桥来自深圳市沃尔德实业有限公司,规格为4A 1000V。WRMSB40M这颗软桥通过较软的恢复曲线,比较平滑的关断特性,可以降低二极管结电容达到非常少的谐波振荡产生的效果。

图片

高压滤波电解电容来自军康,规格为400V33μF。

图片

工字电感外套热缩管绝缘保护。

图片

另外三颗高压滤波电解电容也是来自军康,其中两颗规格为400V18μF。

图片

另一颗规格为400V10μF。

图片

电源主控芯片来自英集芯科技,型号IP2075_38D,这是一款集成GAN FET高性能多模式AC/DC反激控制器,具有自适应多模式控制(MMC)和二次侧调节(SSR)功能,适用于要求具有高功率密度和高精度输出电压/电流的应用。

IP2075_38D内置高压启动,去掉传统的启动电阻,从而降低待机功耗;此外,当移除交流输入时,HV引脚用于X-cap放电,有助于降低Xcap放电损耗,并实现极低的待机功率损耗。结合了频率折返和谷底导通技术,通过减少开关损耗来实现高效率。通过加入频率调制,能显著降低EMI辐射和共模噪声。

IP2075_38D具有宽广的自适应开关频率范围,提高了轻负载效率,最大工作频率经过优化,最大限度地降低器件温度,提高满负载效率。最小峰值电流也被优化设计以平衡待机功耗和音频噪声。

图片

IP2075_38D在轻载或空载输出条件下进入突发模式,此模式下具有极低的工作电流(160µA),能显著降低待机功耗,以满足最严格的能效标准,如CoC V5和DoE VI标准。

IP2075_38D还具有完善的保护功能和丰富的定制化配置参数,如最大频率,输出过压保护, 输出欠压保护,Brown-in/Brown-out,过温保护,带补偿的过功率保护功能。采用DFN18L(6*8)封装。

充电头网拆解了解到,英集芯IP2075_38D此前还被荣耀亲选66W氮化镓充电器等产品采用过,芯片质量获客户一致认可。

图片

变压器特写,采用ATQ19磁芯。

图片

CT 1018光耦特写,用于输出电压反馈。

图片

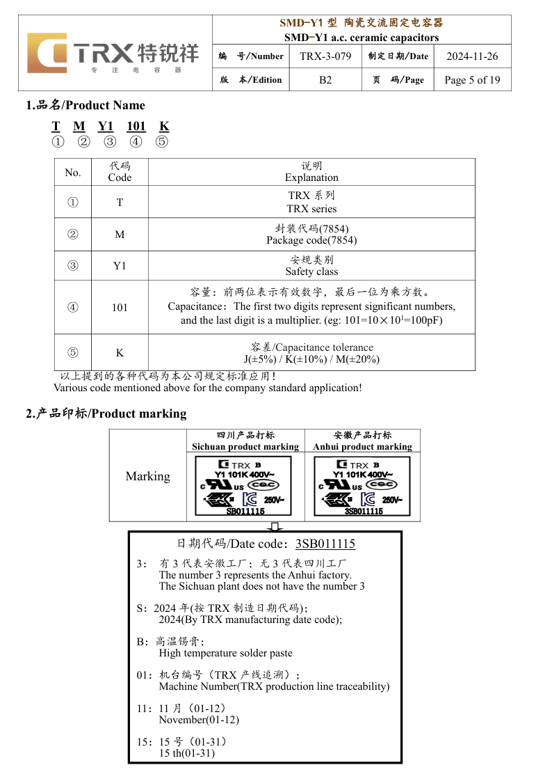
贴片Y电容来自四川特锐祥科技股份有限公司,具有体积小、重量轻等特色,非常适合应用于氮化镓快充和服务器电源这类高密度电源产品中。料号为TMY1102M。

图片

充电头网了解到,特锐祥贴片Y电容除了被倍思高通QC5认证100W氮化镓快充、麦多多100W氮化镓充电器、OPPO 65W超级闪充氮化镓充电器、联想90W氮化镓快充、努比亚65W氮化镓充电器、倍思120W氮化镓+碳化硅PD快充充电器等数十款大功率充电器使用外,也可应用于海陆通、第一卫、贝尔金等品牌20W迷你快充上,性能获得客户一致认可。

图片

同步整流控制器采用英集芯IP2008,这是一款支持宽电压输出系统的同步整流控制器,用于驱动高效反激变换器中的次级整流MOSFET,可取代肖特基二极管。通过检测同步整流(SR)MOSFET的漏极-源极电压,IP2008可以输出理想的驱动信号开通或关断MOSFET。

同步整流的应用可以有效降低二次侧整流器的功耗,获得更高的效率和更低的温升,实现更高的功率密度。仅需极少的外围器件,IP2008就可以为3.3-21V输出电压应用提供高性能的解决方案。

图片

IP2008无需辅助绕组供电,内部的稳压电路就可以产生合适的电源电压,这使得它适用于具有低输出电压要求的充电器应用,或采用高侧同步整流方案的适配器应用。

为了保证快速关断MOSFET的能力,随着次级电流的减小,IP2008通过降低MOSFET的驱动电压来将MOSFET的导通压降调节至约40mV,并在漏极-源极电压反向之前将其迅速关断。可配置的振铃检测电路防止IP2008在不连续导通模式(DCM)和准谐振时的VDS振铃导致错误开启。IP2008采用SOT23-6封装。

充电头网拆解了解到,英集芯IP2075_38D此前还千世机甲漫威钢铁侠MK3胸像充电中心、果子理50W双USB-C氮化镓充电器、众森泰65W氮化镓充电器等产品采用过,芯片质量获客户一致认可。

图片

同步整流管来自JJWD捷捷微电,型号JMSL1009PG,NMOS管,耐压40V,导阻5.6mΩ,采用PDFN5*6-8L封装。

图片

输出滤波固态电容来自万京源,规格为25V560μF。

图片

协议芯片也是来自英集芯科技,型号IP2723TH,这是一款集成多种协议、用于USB输出端口的快充协议IC。IP2723TH支持USB TypeC DFP,PD2.0/PD3.2/PPS/SPR AVS,HVDCP QC4/4+/3.0/2.0,FCP,SCP,AFC,MTK PE+ 2.0/1.1,Apple 2.4A,BC1.2以及三星2.0A多种快充协议,为适配器、车充等单向输出应用提供完整的TYPE-C解决方案。

图片

IP2723TH具备高集成度与丰富功能,在应用时仅需极少的外围器件,有效减小整体方案的尺寸,降低BOM成本。芯片采用QFN24封装。

图片

VBUS开关管丝印3020M,采用DFN3*3封装。

图片

USB-C接口母座特写。

图片

全部拆解一览,来张全家福。

充电头网拆解总结

图片

最后附上米物45W小魔方氮化镓充电器的核心器件清单,方便大家查阅。

米物45W小魔方氮化镓充电器外观基于银、灰色系进行设计,金属质感不错。产品不仅在小巧方面比肩小米45W小布丁快充,同时颜值也更加能打。

此外支持45W PD/PPS快充,小米48W澎湃秒充以及华为22.5W SCP快充等。综合性能、颜值、便携性等各方面来看,都是小米小布丁快充之外的一个不错选择。

充电头网通过拆解了解到,这款迷你充内部采用了主流双板堆叠设计,并使用了英集芯IP2075_38D+IP2008+IP2723T全套电源方案,该方案不仅获得了市场有效验证,成熟可靠,而且尤其契合米物此类对空间要求严格的产品设计需求。