高速驱动电机台架标定

为什么需要对电机标定?
电机标定的目的是为了电机控制器控制能够高效的对电机进行控制:
1,能够准确评估/控制目前电机的扭矩输出;
2,最小的电流获得最大的扭矩;

不同的电机自身的一些本体参数不同,如:极槽数、电感电阻磁链,如果不进行标定,可能电机和控制器也能运行起来,但应该达不到想要的要求。比如指令给100Nm,电机实际扭矩只出到70Nm,而且效率也不高。

想要整个电驱系统运行在最佳状态(提高效率,提高控制精度),就要通过台架进行标定。

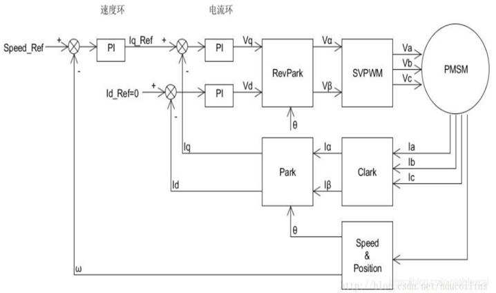
图片

永磁电机的标定主要分两部分:

1、电机零位的标定
方法有直流法、高频注入、反电势计算等。
图片

图片

旋转变压器(简称:旋变)

2、电机性能的标定
MTPA( maximum torque per ampere )标定

Ø恒转矩区:基速以下,只受电流极限圆限制,采用 MTPA 控制,使电机输出最大转矩。

图片
图片

MTPV( maximum torque per voltage )标定

粗标:弱磁转速范围内,给定一个转速,以一定的电流间隔分别给定id、iq电流,扫整个电流极限圆内所有点,同时保证电压在电压极限椭圆内,记录每个电流矢量下的实测力矩。转速逐渐提高直至到最高转速。

图片
图片

整理自:直播|高速驱动电机台架标定与测试
作者:资深电机设计专家 马永志