【深度】混动技术这么多,到底有什么区别,哪家又是最强?|明镜pro

图片
丰田THS、本田i-MMD、通用VOLTEC、比亚迪DM-i、长城DHT、广汽GMC、吉利雷神、理想的增程式混动等等,汽车混合动力技术诞生至今已有百年,技术路线发展百家争鸣,从早期的弱混到现在普遍采用的强混、插电式混动,“电驱化”参与度越来越高,能耗控制也越来越高效。
在持续居高不下的油价、优先上牌和税费减免政策的推动下,混合动力车型在国内市场的接受度也越来越高。比亚迪的销量因此一飞冲天,理想也凭借一款车的销量跻身新势力前三,并且敢于用一款增程式混动的L9向500万以内的任何豪华SUV车型叫板,长城、奇瑞、广汽等自主品牌车企也加大了混合动力车型向市场的投放力度。
乱花渐欲迷人眼,种类繁多的混动系统对于普通消费者而言,很难去区分它们之间的差别以及技术本身的使用优劣。因此针对当前主流的混动系统,我们来从技术和使用环境上做一个解读,看看混合动力技术到底是哪家强?
为了便于理解,笔者对当前混合动力技术做了一个分类。目前混合动力的分类有三四种方法,比如按电机的位置、构型、混合度等。我们选取两种比较容易理解的方法进行区分。按传动系构型可分为:串联式混合动力、并联式混合动力、混联式混合动力三种。按可不可以外接充电可划分为:一般混合动力HEV(Hybrid)、充电式混合动力PHEV(Plug-In)。
混合动力技术分类
串联式混合动力是接近于纯电驱动的模式,也叫增程式。配置的发动机仅用于推动发电机发电而不直接参与驱动汽车,系统输出动力等于电动机输出动力,换句话说就是通过发动机发电来驱动电机来带动车辆行驶。代表车型有:雪佛兰第一代沃蓝达、理想one、L9、岚图FREE等。
图片
串联式混合动力示意
并联式混合动力是以发动机为主,电动机为辅,电机和发动机均可单独驱动车辆,也可以共同参与驱动,系统输出动力等于发动机与电动机输出动力之和,代表车型是奥迪A3 e-Tron,大众高尔夫GTE等。
图片
并联式混合动力示意
混联式混合动力是指电动机和发动机都能单独驱动汽车。由于系统中配置有独立发电机,因而系统输出动力等于发动机与电动机输出动力之和,与并联式最大的区别是它可以实现串联式驱动,一般会比并联式多一组电机。混联式系统结构复杂,但是综合动力性能和燃油经济性是当前行业的最优解。代表车型有:丰田普锐斯、雷克萨斯CT200h、通用君越30H、雪佛兰第二代Volt、雅阁Hybrid、比亚迪秦DM-I,长城柠檬DHT、广汽皓影混动版等。
图片
混联式混合动力示意
按照插不插电这个大家就比较好理解了,目前主要是HEV和PHEV车型的区别,HEV代表技术路线是丰田THS、通用VOLTEC、本田i-MMD、广汽传祺GMC2.0、吉利雷神等混联式混动系统,当然搭载这些混动技术的车型也可以插电变为PHEV车型,但是其他混合动力技术的PHEV车型则未必适合HEV策略,比如串联式(增程式),在没有外部电力辅助的前提下模式综合能耗的经济性并不明显。
不适用于全场景应用的串联式混动
混合动力技术的本质就是通过电机、动力电池、变速器等辅助机构将发动机最大限度地维持在高效率区间运转或者不运转,从而最大效率节能能耗。当前所有的混合动力技术都是围绕这个核心来进行开发。
串联式(增程式)混动是最早诞生的混合动力技术,1900年世界上诞生的第一辆混合动力车“罗尼尔-保时捷”采用的就是串联式,通过发动机来给电机供电驱动车辆行驶。串联式混动的本质是将发动机控制在高效率区间运转来发电通过电机驱动车辆,简单理解就是让一辆车的发动机只有高速使用的工况,达到降低油耗的目的。
但是串联式混动有着天生的弊端,当车辆在中低速行驶时,发动机功率尚有一定的富余,可以满足这种发电再驱动的逻辑,而一旦车辆在高速行驶时,发动机功率的负荷随着速度的提升不断增加,导致发动机无法维持在高效率区间运转,此时的能耗甚至超过了采用发动机直驱的模式。这就是为什么那些采用串联式混动的车型在长距离综合油耗的测试中油耗都较高的原因,比如理想L9的长距离综合油耗都在10L/100km左右。
图片
另外,串联式混动的最大功率取决于电机的输出功率,最小功率取决于发动机的发电量,所以当没有外部补电(动力电池没电)的情况下,车辆的动力性也会较差。所以串联式混动都会外接电源(PHEV),车辆使用环境更适合短距离代步通行用。目前很多车企的策略都是把电驱作为“主驱动”(搭载大容量电池),发动机作为辅助发电驱动。综合来说,串联式混动因为不能适用于全环境的应用,所以被行业内称为“落后”的技术。
差强人意的并联式混合动力
并联式混动其实也叫P2构型。一般只有一组电机,并且与变速箱常啮合置于变速箱壳体内。它能实现发动机带动电机直接驱动车辆、电机直接驱动、发动机和电机同轴驱动、发动机驱动+带动电机给电池充电、制动和减速的能量回收这五种工作模式。
图片
通过工作模式其实我们就能发现这种混动构型的弊端:1、在中低速能耗最高的阶段,只要电池没电,发动机就必须启动来直接驱动变速箱,不能完全规避这种发动机低效率运转的工况。2、发动机驱动时电机也会伴随跟转,它们之间并不能脱离,也就是说电机会成为一种负载增加发动机的负荷,增加能耗,在高速阶段反而不如直驱更节省能耗。所以并联式混合动力也非常依赖外接电源,需要借助电池和电机来调整发动机负载,并联式混动也都以PHEV存在。
图片
目前串联式混动技术主要是欧洲车企和韩系车企比较多在采用,比如大众、奥迪奔驰等。它一方面对现有的动力架构改动较少,另一方面能覆盖比串联式混动更多的应用场景。另外欧洲车企对于混合动力的普遍认知都是混动是过渡阶段的技术,并未对混联式混合动力投入过多的研究。
混联就是最优吗?
混联式混合动力,顾名思义就是既能实现串联式驱动也能实现并联式驱动,这类型混动弥补了串联和并联各自在使用场景和工作模式上的缺陷,真正实现了能耗控制的最优解。所以目前搭载混联式混动的车型在不依赖外接电源的情况下,也能大幅降低搭载车型的能耗,综合油耗可以普遍实现低于5L/100km。所以混联式混动既可以适用于HEV策略,也可以外接电源变为PHEV,从能耗控制技术和使用环境的角度来说,混联式混动堪称最全面。
但是受限于专利壁垒,目前各大主机厂采用了不同的构型来实现了混联式混动。比如丰田THS是采用的是单排行星轮结构,这种系统既简单又高效,最早搭载于第一代丰田普锐斯,开创了行业强混HEV的先河。THS可以实现六种工作模式,覆盖了各种车辆行驶工况。
图片
THS构型简图
图片
但是THS这套单排行星轮的构型并不完美,比如因为行星轮和发动机之间不能解耦,在车速超过60km/h左右,发动机就必须启动,而此时发动机不一定就在高效率运转区间,而且此时发动机也不是完全直驱模式。
通用为了绕开丰田单排行星轮的专利,采用了双排行星轮结构,开发了GEN2 VOLTEC系统,这套系统主要部件是由一台直喷高效发动机、两组永磁交流同步电机、两排行星轮、两组离合器加一组锂离子电池组等组成。结构比较复杂,可以根据车速、负载和电池电量将工作模式做精细化拆分,实现了多达12种工作模式。
图片
VOLTCE构型简图
图片
GEN2 VOLTEC系统规避了丰田THS单排行星轮结构上的缺陷,因为工作模式更丰富,能更全面覆盖各种使用工况,精准控制发动机负载和电机的输出,综合能耗比THS更胜一筹。这套系统搭载了通用旗下多款车型,比如君越30H,凯迪拉克CT6等。从能耗控制的角度来说,这系统已经足够完美,唯一的缺点可能就是制造成本太高,导致搭载车型整体售价都较高。
在行星轮之外,以本田为代表的车企采用了一种串联混动的变种构型,在串联的基础上通过一组离合器实现了发动机直驱模式,让车辆既可以是增程模式驱动,也可以是发动机和电机一起并联式驱动。构型简单实用,美中不足是覆盖的实用工况不够多,在能耗的控制上不如丰田的THS和通用VOLTEC那般精准。
图片
本田i-MMD构型简图
图片
国内车企的混合动力相比丰田、本田、通用等发展较晚,所以为了绕开以上三种典型构型,都开发了自己专属的混合动力系统,比如比亚迪的DM-i,奇瑞的鲲鹏动力DHT、长城的柠檬DHT、广汽GMC 2.0等。
目前市场占有份额最多的是比亚迪的DM-i,比亚迪在混合动力市场浸淫多年,技术也在不断进步,从早期的并联式混动到如今的混联式DM-i,赢得了消费市场的认可,唯一不变的是比亚迪坚持的是以电为主的策略,始终只推出搭载大电量的PHEV。DM-i的构型其实也相对简单,一台发动机,一个发电机P1,一个驱动电机P3,还有一个离合器。整体构型和工作模式与本田的i-MMD逻辑极为相似,区别是它只有一个档位,而i-MMD是两档,且它的P1电机在直驱模式下可以选择性不工作。
图片
比亚迪DM-i构型简图
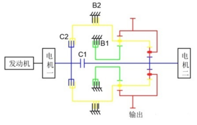
吉利雷神混动就像是通用的VOLTEC,由一台发动机,两组电机、两个离合器、两个制动器,两组行星轮组成,结构也非常复杂。与VOLTEC不同的是他的2个行星排,第一行星排(左)行星架和第二行星(右)排齿圈连,第一行星排的齿圈和第二行星排的行星架连。在三个档位下实现了四种不同的驱动模式:纯电、串联、并联和直驱。
图片
吉利雷神混动简图
长城柠檬混动DHT和奇瑞鲲鹏混动比以上几种混合动力技术推出得更晚,那么构型上要规避以上所有专利,结果就是越做越复杂。比如檬混动DHT由双电机控制器、多模混动变速箱、一台混动专用发动机、GM/TM双电机、集成DC/DC组成,可实现纯电、并联驱动、串联驱动、能量回收等多种工作模式。
图片
柠檬DHT混动简图
图片
奇瑞鲲鹏混动是由一台发动机、2 个电机、2 套电机控制器、3 组离合器、3 组齿轮变速器等组成。通过这套复杂的结构可以实现单电机纯电驱动、双电机纯电驱动、串联驱动、并联驱动等11种工作模式。
图片
图片
奇瑞鲲鹏混动简图
综合来看,以比亚迪、吉利、长城、广汽、奇瑞为代表的自主品牌传统车企在混合动力的开发上,展现出了作为传统车企在硬件开发上的实力,都开发出了能覆盖全场景应用的混联式混合动力系统,可以在HEV和PHEV之间自由切换,区别只是在于能耗控制的精准性和结构运行稳定性上,而以理想、问界为代表的新势力只能借助应用场景有限的“增程式”入局。
当然,在搭载大电量的插混大行其道的当下,搭载不同混合动力技术的车型在短距离出行的体验差别并不大,毕竟都是在以用电为主,只有在长距离上才能体现出差距。而回归到混合动力的本质,能实现混联驱动的HEV则有着更低的搭载成本,更好的能耗控制水平,是当下更值得被当前推广的技术。