深入解析锂电池保护电路工作原理

1. 锂离子电池介绍
锂离子电池是一种二次电池(充电电池),它主要依靠锂离子在正极和负极之间移动来工作。在充放电过程中,Li+在两个电极之间往返嵌入和脱嵌,充电时,Li+从正极脱嵌,经过电解质嵌入负极,负极处于富锂状态;放电时则相反。
锂离子电池电压范围2.8V~4.2V,典型电压3.7V,低于2.8V或者高于4.2V,电池都会有损坏风险。
2. 1C和0.1C的概念
电池容量的单位是mAh,C指的是电池充放电的倍率,比如一个2000mAh的电池,以1C放电指的是放电电流大小为2000mA,0.1C为200mA,充电也是同样的道理。
3. 锂离子电池的优缺点
锂离子电池的主要优点:
锂离子电池电压高,能量密度高;
循环寿命长,一般可循环500,甚至达到1000次以上;
自放电小,室温下充满电的Li-ion储存1个月后的自放电率为10%左右;
可快速充电,1C充电时容量可以达到标称的80%;
工作温度范围宽,一般为-25~45°C,后面有望突破-40-70°C;
没有Ni-Cd、Ni-Mh一样的记忆效应,在充电前不必将剩余电量用完;
相比较Ni-Cd、Ni-Mh来说环保无污染(不含镉,汞等重金属);
锂离子电池的主要缺点:
成本高;
需要加保护电路板,包括过充和过放保护;
不能大电流放电,一般放电电流在0.5C以下,过大的电流导致电池内部发热;
安全性差,容易爆炸、起火。
4. 锂电池和锂离子电池的区别
锂电池和锂离子电池是两个不同的概念,主要有如下的区别:
锂电池的正极材料是二氧化锰或亚硫酰氯,负极是锂;
锂离子电池是以含锂的化合物作正极的锂电池,在充放电过程中,没有金属锂存在,只有锂离子;
锂电池也称一次锂电池,可以连续放电,也可以间歇放电,一旦电能耗尽便不能再用,不能进行充电;
锂离子电池也称二次锂电池,可以充放电;
5. 锂离子电池充电模式
锂离子电池理想充电模式被称为CC CV模式,即恒流 恒压模式。
如下的图形中,灰色为电池电压,绿色为充电电流,红色为电池容量。
在电池电压低时,电池以固定的恒定电流进行充电,当电池电压达到4.2V时,会由恒流模式切换到恒压模式,因为电池的电压不容许超过4.2V,所以系统会逐渐减小充电电流,直到接近于0;当电池电压为4.2V,且充电电流为0,代表电池已充满电。
图片
锂离子电池CC CV模式
为了保证电池的绝对安全,实际的充电模式会更细化,对于不确定的电池上来就按照恒流进行充电,会给电池造成更大的损坏。
测试模式,当电池电压低于2V时,会以很小的电流,对电池进行唤醒;
涓流充电,也叫预充模式,当电池电压处于2V~3V之间时,会以恒流充电的1/10或者1/20电流大小进行预充;
恒流充电,当电池电压升至3V以上时,会以恒流模式对电池快速充电;
恒压充电,当电池电压达到4.2V时,会以恒压模式对电池进行充电;
像TI的方案,在电池电压为4.2V,充电电流较低但不为0,约为恒流充电电流的1/10时,停止充电,这时候电池电压会降低到4.16V或者4.17V;
图片
锂离子电池充电的三个阶段
6. 为什么锂离子电池充电截止电压是4.2V
下图是电池的循环寿命和充电截止电压的关系图,在电池最初的周期中,充电到略高的电压会得到更高的单周期电量,但只会存在一小段时间。当电池的充电电压比推荐的4.2V最高电压还要高50mV或100mV时,由于每个周期都会略微过度充电,因此电池的老化速度会大大加快。
总结一句话就是:电池的充电截止电压高于4.2V,电压越高,循环寿命越短,且电池容量下降越快。
图片
锂离子电池循环寿命和充电截止电压的关系
7. 锂离子电池放电曲线
如下是锂离子电池在不同放电电流下的放电曲线,可以看出:放电电流越大,电池的容量下降越快,容量越低,电池的标称容量使用越不充分。
电池容量越低时,电池的内阻相应会增加较多,比较大的电流进行放电时,内阻增长的比较快。
图片
锂离子电池不同放电电流下的放电曲线
从不同温度下的电池放电曲线可以看出:温度越低,电池容量下降越快,放电越不充分。
电池的温度在0度以下,内部活性成分很弱,内阻会相应的变大;过高的温度对电池也有损坏。
图片
锂离子电池不同温度下的放电曲线
8. 锂离子电池循环次数
在实际中,每当累积的放电容量等于设计容量时,则记为循环一次。
图片
锂离子电池循环寿命
国标规定锂离子电池的循环寿命测试条件及要求:在25度室温条件下以1C充电150分钟,以恒流1C的放电电流放到2.75V截止为一次循环。当有一次放电时间小于36分钟时试验结束,循环次数必须大于300次。
这个定义规定了循环寿命的测试是以深充深放方式进行的;
规定了循环寿命按照这个模式执行后必须超过300次以后容量仍然有60%以上;
9. 锂离子电池工作电压范围
锂离子电池的工作电压有一个范围,不同电芯厂家制造会有所不同,但是差别不大。
图片
锂离子电池电压范围
10.剖析锂电池保护电路的工作原理
举一个不恰当的例子,电池的充放电就像孩子喝母乳一样。
1,如果一直让孩子喝,家长不加以控制,那么这个奶可能会被喝光,类似电池过放
2,如果家长一直不给孩子喝奶,这个奶就会积攒越来越多,类似电池过充
3,如果孩子喝奶喝的急,容易呛奶,类似电池的过电流保护
科学喝奶,规律喝奶,需要家长的监督,那电池如何做到科学充电和放电呢?
锂电池都有一个使用的安全电压区间,最高和最低电压一般被称为充放电终止电压或截止电压,当电池的实际工作电压长时间低于放电终止电压或者长时间高于充电终止电压时,电池内部将发生不可逆转的伤害,严重伤害电池,导致性能下降,俗称电池衰减,电池衰减的表现就是电池的内阻增大,容量下降等。
所以一般锂离子电池内部会有一个小的PCB板,和电池封装在一起,如下图所示,主要作用就是用来保护电池。
图片
红色框选部分为电池保护板
这个电路板根据组成电路不同,一般会有过放保护过充保护过流保护短路保护以及控制IC失效之后的FUSE保护这几种,下面会以一个常见的电路,讲解这几种保护的工作原理。
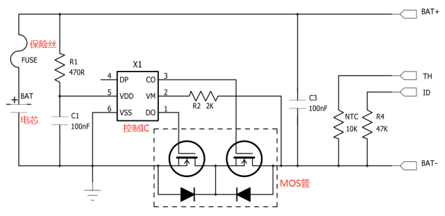
11.锂电池保护板组成
一般的锂电池保护板由控制ICMOS管电阻电容保险丝FUSE等组成,如下图所示。
图片
常见的锂电池保护板电路图
TH为温度检测,内部是一个10K NTC接到电池负极;ID是电池在位检测,一般是47K/10K电阻接到电阻负极,有的是0R电阻;TH和ID均是选配,并不是所有锂电池都有的。
接着根据上面这么电路,来看一下如下几种保护的工作原理吧!
12.过充保护
电池充电时,电流(方向如箭头所示)从电池包的正极流入,经过FUSE后从负极流出,最下方的两个MOS管均是导通状态。
图片
电池充电时电流方向如箭头所示
充电时,控制IC X1会时刻监测第5脚VDD和第6脚VSS之间的电压,当这个电压大于等于过充截止电压且满足过充电压的延时时间时,X1会通过控制第3脚来关闭MOS管Q2,Q2被关闭之后,充电回路被切断(Q2的体二极管D2也是反向截止的),这个时候,电池只能放电。
过充保护解除条件(满足其一即可):
1,电芯两端的电压下降到保护IC的过充恢复电压。
2,在电池包得输出端加负载放电,放电到电压小于过充保护电压。
13.过放保护
在电池包两端加负载放电时,电流(方向如箭头所示)与充电是相反的,如下图所示。
图片
电池放电时电流方向如箭头所示
放电时,控制IC X1同样会时刻监测第5脚VDD和第6脚VSS之间的电压,当这个电压小于等于过放截止电压且达到过放电压的延时时间,控制IC X1会通过第1脚关闭Q1,Q1被关闭之后,放电回路被切断(Q1的体二极管D1是反向截止),这个时候,电池只能充电。
过放保护解除条件:拿掉负载,给电池包充电,当VM-VDD之间的电压达到过放恢复电压值时,控制IC X1会重新打开MOS管Q1。
14.过流保护/短路保护
过流保护指的是过放电流的保护,一般的控制IC有过流保护和短路保护两种,控制IC时刻监测VSS-VM之间的电压值,当电压值达到过流保护或者短路保护的阈值且满足延时时间,控制IC会将MOS管Q1关闭,切断放电回路。
图片
电池放电时电流方向如箭头所示
过电流保护解除的条件是:将输出端负载拿掉,控制IC会自动将Q1重新打开。
过流保护的电压值一般是0.1~0.2V,短路保护检测的电压值一般是0.9V~2V,这两个值都与控制IC有关系,不同的IC,这两个值不一样。
短路保护电压值指的是电流流经Q1和Q2上的导通压降,即可以得出,如果MOS管的导通内阻越大,保护电流值就越小。如:内阻为20mΩ的MOS管,选用的过电流值为0.15V的控制IC,那过流保护的电流应为:0.15V/(0.02*2)=3.75A。
15.控制IC失效之后的FUSE保护
有的保护板里面会加上保险丝,在控制IC失效之后,起到一个二级保护作用,避免更坏的结果,当然也会增加成本。