ADC——连通虚拟与现实的桥梁

生活在信息时代的我们,处处都可以享受到数字构成的虚拟世界带给我们的方便快捷。在这片繁荣的景象背后,连通虚拟与现实世界的不可或缺的桥梁纽带就是模数转换器ADC(Analog-to-digitalconverter,ADC,A/DorAtoD),它将真实世界产生的模拟信号(如温度、压力、声音、指纹或者图像等)转换成更容易处理的数字形式。
模数转换器经历了几十年的发展,产品不断革新,目前种类多样,常见的有逼近型(SAR)、Flash、流水线型(pipelined)、∑-Δ型ADC等多个种类。其中逼近型、积分型、压频变换型等主要应用在对于速度和进度要求相对较低的智能仪器中,分级型和流水线型主要应用在高速数据采集和通讯技术领域,脉动型和折叠型应用在广播卫星,∑-Δ型ADC应用在高精度数据采集的多媒体、地震勘探仪器、数字音响等领域。
ADC属于模拟芯片中难度最高的一部分,被称为模拟电路皇冠上的掌上明珠。
图片
ADC国内外发展现状
ADC属于模拟芯片中信号链芯片的一种,且从细分的子产品的角度来看,ADC是市场规模较大的最主要信号链产品之一,ADC/DAC市场规模占模拟电路市场份额比例达15%。受益于较长的生命周期和较分散的应用场景,其技术随着下游应用如人工智能、信息通信、汽车电子等新兴领域的发展一同演进。
当前ADC芯片的主要下游需求为通信设备领域(35%以上)、汽车电子(22%)、工业(20%)、消费电子(10%)。消费电子市场属于低端ADC芯片,而高端芯片的市场包括有线/无线通信、汽车电子、军工、工业、航空航天、医疗仪器等等。据Databeans统计,高端ADC芯片的单价是低端ADC芯片的数倍,高速率ADC占总出货量不到10%,但是却占据了行业接近50%的销售额。
图片
未来几年支撑ADC芯片增长的主要驱动因素是5G、人工智能、物联网、汽车电子等新兴领域,这些领域所需的产品或技术对信号处理的需求(包括速度、精度、噪音等)增长迅速,在2019年全球模数转换器芯片市场规模已经达到38亿美元,预计到2023年全球模数转换器芯片市场规模将达到50亿美元,行业发展潜力较大。
图片
全球智能汽车销量的快速增长,预测2024年全球汽车半导体的市场将达428.3亿美元。汽车的电动化、智能化使得单车对电源管理IC和信号链IC的需求量大幅增长,预计2024年车规级模拟芯片的市场份额将达76.4亿美元、在汽车芯片中的占比也将由2020年的14.65%增长至17.84%。
图片
1970-2020年汽车电子在整车成本占比
参考中国联通5G/4G密度比,未来我国5G宏基站建设总数至少在800万台以上,并且单个5G基站的ADC芯片使用就高达两位数。5G基站需要性能在250Msps-1Gsps、14-16bit区间的ADC芯片。根据TI公司官网的产品列表显示,符合性能条件的ADC芯片最低单价约11美元,最高可达65美元,以保守数据每个5G基站需要10个ADC芯片、每个芯片11美元进行计算,5G基站建设带来至少8.8亿美元的增量市场。
图片
2020-2026年中国5G所需ADC数量及对应的ADC销售额预测
目前国际上ADC/DAC市场份额分别被ADI、TI、MAXIM、MICROCHIP等国外企业独占,其中,ADI市占率约为58%,TI占比约为25%,MAXIM占7%,MICROCHIP占3%,难觅国内企业身影。这些欧美的大型模拟集成电路供应商采用IDM的经营模式,从芯片的设计、制造、封测到销售都自主可控,形成全产业链覆盖;可以在协同优化的同时,获取各环节的商业价值。
随着国内电子产业的快速发展,以及政策加速国产替代的趋势下,我国ADC行业也得到了快速发展,目前如芯海科技等国内厂家在高精度ADC领域一定程度上实现了国产替代。受2019年TI、ADI等欧美企业限制向华为等中国企业供货,加速我国模数转换器芯片行业发展,未来我国ADC行业将向高端化方向发展。
详解ADC内部重要技术及架构
Comp
比较器是很多ADC架构中关键的一环,一个性能卓越的比较器在能效和鲁棒性上都具有很好的表现,具体而言比较器需要通过电流再利用,减小漏电,更好的动态偏置和预放大增益来提高能效利用,在鲁棒性上着重注意共模电平的变化。唐希源博士的论文[X.Tang,VLSI,2019],提出了一款非常优越的低功耗比较器结构,拥有上述所有提到的优点,其结构如下所示。
图片
唐希源等人通过引入浮动逆变放大器(FIA),进一步提高了能效。它采用了自然实现电流重用的CMOS输入级,通过使用浮动存储电容器为FIA供电,可以提供恒定的输出共模电压,从而延长预放大时间并增加增益。它还避免了负载电容器的共模放电,从而节省了大量能源。此外,电容器隔离功率使放大对输入共模电压和PVT变化不敏感。储能电容器还提供了动态偏置,从而增强了前置放大器gm/ID。结合所有这些优点,它实现了一个高效的动态比较器,与Arm strong锁存器相比,其能效提高了7倍以上,FoM值仅有2.07nJ*uV2。传统前置放大器具有速度快、结构简单等优点,目前仍在广泛应用。当以节能应用为目标时,FIA同时提供高增益、高能效和鲁棒性,是一个很有前途的选择。
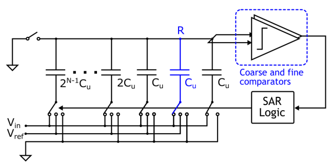
SAR
SAR ADC因其工作原理为内部模拟信号经过多个时钟周期,逐渐接近输入值的结构而得名。其中包括用于削减输入信号的开关电容阵列,进行二分判断的比较器、电压参考电路、SAR逻辑控制器、子时钟单元和非理想因素逻辑校准等结构。SAR ADC的基本原理是利用二分法,每次进行信号和参考电平的大小判断,用判断结果改变下一次开关电容阵列的逻辑,将输入信号有顺序的削减,然后下一次与更小范围的参考电平比较,从高到低试探性逼近信号所在数字量化的位区间。
图片
除了设计节能比较器外,还可以利用SAR ADC的架构级特性来降低比较器的总功耗。对于N位SAR ADC,其比较器需要触发N次,但不同比较的噪声要求不同。对于较小的比较器输入,比较器噪声需要较低,以确保正确的决策。然而对于较大的输入,比较器噪声要求可以显著放宽,同时仍能产生正确的决策。在N次比较中,比较器输入仅小于LSB /2一次。对于所有其他比较,可以放宽噪音要求以节省能源。然而,挑战在于,我们不知道关键决策何时发生,因为它取决于未知的输入。研究人员开发了几种技术来解决这一问题。
一种解决方案是确定这个关键的比较周期,并相应地降低其噪声。Harpe等人采用判断电路,通过将决策时间与预设计时器进行比较来确定关键比较周期。一旦确定了关键周期,它将多次重复决策并采用多数结果,从而有效地降低了比较器噪声。等效地,它将比较器重新配置为低噪声模式,以进行关键决策。以12位SAR转换为例,5次多数表决将总输入参考噪声从0.95 LSB降低到0.66 LSB,SAR功率增加33%。为了实现相同的性能,传统的模拟缩放需要将比较器功耗增加300%(4×功耗,2×降噪)。然而,与其他时域操作一样,关键比较判断器也会受到PVT变化的影响,需要校准。
另一种被广泛采用的解决方案是在SAR搜索算法中提供冗余,这使得早期决策中的错误可以在以后得到纠正。通过杠杆作用冗余,它可以容忍转换过程中的各种错误,如比较器噪声和DAC设置误差/噪声,只要它们在以下冗余范围内,它将关键比较等效地重新定位到LSB决策。Giannini等人将冗余与双比较器架构相结合,如下图所示。
图片
包括冗余位在内的最后两位判决采用低噪声比较器以确保转换精度,而之前的(N− 1) 转换依靠高噪声但低功耗的比较器来节省能源。精细比较器的输入参考噪声设计为低功耗比较器的一半。粗略估计表明,低噪声比较器的功耗是低功耗比较器的4倍。与常规设计相比,所有N个判决都需要低噪声比较器,这项工作只需启动两次,从而将9位SAR ADC中的比较器总功率降低约55%。然而,它受到两个比较器之间偏移量不匹配的影响,必须进行校准。还可以提供大量冗余来纠正偏移不匹配。然而,需要在更重要的位中提供大冗余,这增加了低噪声比较的数量,并导致低能效。
为了减少比较器偏移不匹配,Harpe等人报告了一种负载切换比较器,其负载电容器可以重新配置,以在低噪声和低功率模式之间切换。通过在两种模式之间共享比较器输入晶体管,偏移失配大大减少。因此,它可以通过LSB提供的小冗余进行校正,并且不需要偏移校准。
Pipelined
Pipelined型ADC因其系统由多级子流水线电路交替工作,每一级流水线级包含MDAC和子ADC小模块,其中MDAC是pipelined结构的核心单元。系统由半周期采样,半周期放大转换的两相不交叠时钟驱动,相邻两级流水线级交替采样和放大,实现逐级量化。在很多高精度pipelined ADC中,增益误差和非线性等误差往往制约ADC的精度,因而各类校准模块是其性能提高的关键部分。
图片
与SAR型结构相比,pipelined型结构具有速度快,精度高的优势,同时也有电路复杂,功耗高的缺陷。因此,pipelined型结构一般适合于对功耗不敏感的高速中高精度应用场景。
pipelined-SAR型ADC
考虑pipelined结构速度快、功耗高,而SAR结构速度低、功耗低等特点,在近些年研究中,两者的优势结合的pipelined-SAR结构被提出和大量采用。两步式pipelined-SAR是最常见的实现方式,其包含两级SAR结构和一个多倍放大器的中间级,可以看作将流水线MDAC结构的flash子ADC小模块改进为SAR结构,并且提升MDAC的量化位数,同时将后端的子流水线全部用SAR结构替代。与pipelined结构一样,放大器会带来较大的谐波失真,因此pipelined-SAR校准侧重于放大器增益误差和非线性误差的校准。
图片
pipelined-SAR结构具有折衷的转换率和相对较低的功耗开销。目前在利用优值作为ADC的结构优劣的评价系统情况,pipelined-SAR型的性能在几类结构中FOM值相比较好,也是近年来时间交织架构下研究的热门方向。
VCO ADC
VCO ADC是近几年来提出的一种新型ADC结构。其核心是利用VCO的电压能够改变其振荡频率的特点,把模拟信号首先转换成时间信号,再通过把时间信号转换成数字信号,完成模拟-时间-数字的转换。
图片
压控振荡器ADC与其他传统模拟ADC相比,具有功耗低、面积小,响应速度快的特点,可适用于G Hz以上采样率的高速及超高速ADC设计。然而,由于输出频率与输入电压间的非线性关系,量化的线性优化或校准通常是设计的难点。而且相比于其他几种结构,计数时钟的抖动、模块单元的失配对性能的影响也较为突出,尽管如此,利用VCO替代传统ADC模块的改进设计依然是研究的热门问题。
总结
随着移动物联网、5G、生物电子医疗、自动驾驶等技术的发展,信号处理在各领域所处的地位愈加重要,处于传感器终端的模数转换器芯片重要性不言而喻,对模数转换器ADC的性能要求也日益增高。但目前国内做ADC的企业相对其他芯片企业仍然较少。
随着祖国的日益强盛,科技水平逐步提高,在中国大力推动半导体产业发展的情况下,未来中国一定可以在高精尖ADC领域有一块属于自己的立足之地。