【新规解读】城市道路清扫保洁与质量评价新标准5月1日起实施

图片
住房和城乡建设部日前批准并发布行业标准《城市道路清扫保洁与质量评价标准》(CJJ/T126-2022),自2022年5月1日起实施,原行业标准《城市道路清扫保洁与质量评价标准》(CJJ/T126-2008)同时废止。
根据新标准,城市道路是指城市供车辆和行人通行的,具有一定技术条件的公共道路及其附属设施,公共道路包括车行道、人行道、街巷、桥梁、隧道、广场等,附属设施包括人行过街天桥、人行地下通道等。
本次修订的主要技术内容是:1.修改了道路清扫保洁等级划分;2.修改并增加了道路清扫保洁作业要求部分条款;3.调整了道路清扫保洁质量评价内容;4.修改了道路感观质量检查评价步骤方法;5.修改了道路可见垃圾及污渍密度检测评价步骤方法;6.修改了道路清洁度评价计算方法。
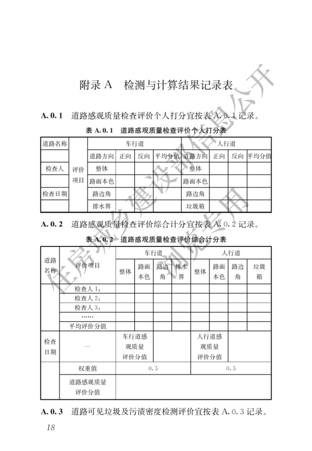
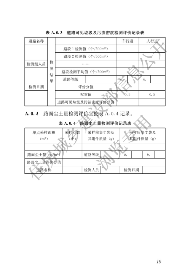
《标准》全文如下。
图片
图片
图片
图片
图片
图片
图片
图片
图片
图片
图片
图片
图片
图片
图片
图片
图片
图片
图片
图片
图片
图片
图片
图片
图片
图片
图片
编辑张李平
来源 住建部