洗衣机智能驱动控制芯片方案

图片
无刷直流电机在洗衣机中的应用已经较为常见,随着节能减排以及碳中和的需要,其市场占比也越来越高。家用洗衣机主要分两种:波轮洗衣机、滚筒洗衣机。都有着低速大扭矩启动,调速范围宽的特点。特别是滚筒洗衣机,一般要求转速为300-17000RPM。因此对控制算法要求非常高。洗衣机电机控制也有着很多额外的功能要求,例如检测衣物的重量,衣物是否偏心等。
图片
主控芯片作为无刷电机系统指挥的“大脑”,承担着丰富的控制任务,对芯片提出了多维度的挑战。尤其是使用频率较高家电产品,要求具备高可靠性的同时,还必须满足快速响应、精准控制、低噪音等功能需求。
FORTIOR峰岹芯片拥有自主知识产权的电机控制内核ME,专门用于电机控制,自主设计的内核架构,可针对具体的应用需求实现定制化产品方案,公司的芯片产品及方案广泛应用白色家电领域,基于FORTIOR峰岹全新推出的MCU芯片 FU6815L设计的洗衣机电机控制方案,是帮助提高厂商产品竞争力,快速获得市场占有率的专用芯片方案。
高集成双核架构 更强算力 控制自如
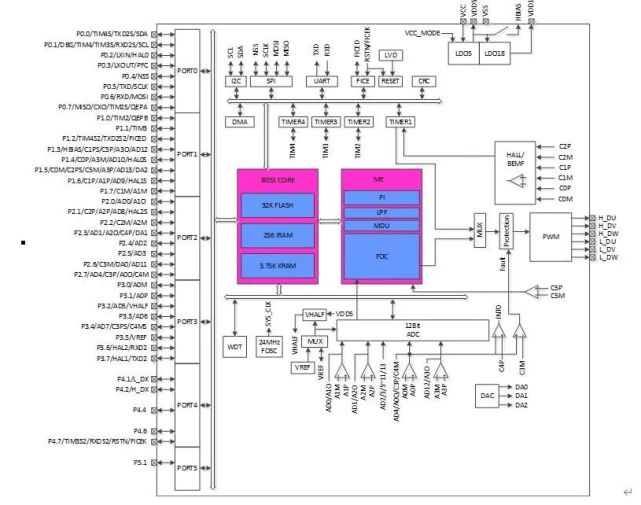
FU6815 系列是一款集成电机控制内核(ME)和通用内核 8051的高性能电机驱动专用芯片,ME 集成 了 FOC、MDU、LPF、PID、SVPWM 等诸多硬件模块,可由硬件自动完成有感/无感 BLDC/PMSM 电机的 FOC 驱动/方波驱动的运算和控制; 通用内核8051用于参数配置和日常事务处理,双核并行工作 实现各种高性能电机控制。芯片内部集成高速运算放大器、比较器、Pre-driver、高速 ADC、CRC、SPI、I2C、UART、LIN、多种 TIMER 等功能,内置高压 LDO,适用于 BLDC/PMSM 电机的方波、FOC 驱动控制;
图片
图片
大量的逻辑处理与数据计算是洗衣机应用中,电机驱动控制芯片产品方案必须面对的挑战。传统的通用MCU方案,FOC模块运算需要耗费大量的MCU资源,还会与如OOB检测,称重等功能抢占MCU资源,对系统稳定性造成很大的压力。FORTIOR峰岹推出的专用MCU芯片FU6815L采用双核架构设计,电机驱动任务由电机控制内核ME实现完成,完全不占用MCU资源,通用内核8051就可以专注于实现洗衣机的应用层功能,如OOB检测,称重,DOOB检测等功能,双核驱动的创新架构设计,使产品获得更高的可靠性和精准的控制能力。
FORTIOR峰岹洗衣机方案
01 低速大扭矩
02 深度弱磁算法
03 OOB、DOOB检测
04 称重算法
05 完善的保护策略
06 丰富的调试工具
精准、智能的控制算法
发挥芯片科技和电机系统极致性能
图片
低速大扭矩功能:FORTIOR峰岹自主研发的AO自适应观测器,可以实现电机超低速控制,满足洗衣机对低速扭矩与大负载启动的要求,解决量产中电机高稳定性启动的问题。
深度弱磁算法:在洗衣机的运行周期中,电机低速运转的洗涤模式运行时间占比较大,为了兼顾低速扭矩与效率,洗衣机的电机设计往往会偏重于低速性能;而运行时间占比小的脱水模式,是需要电机高速运转的,使用常规的控制方式无法迅速切换高速运行,需要弱磁算法对电机进行扩速。FORTIOR峰岹洗衣机方案设计了深度弱磁控制算法,可以根据所需速度,当前负载大小自适应调整D、Q轴电压电流分配,调速线性无台阶,同时电压保护算法,可以很好解决深度弱磁下母线电机过冲问题,提高深度弱磁的安全性。
智能感知功能:洗衣机在脱水时需要检测衣物的分布不均导致桶质量有偏心,如果偏心量很大,那么在脱水高速运行时,洗衣机将会出现振动,移位,严重的甚至会发生解体。这就需要在进行脱水之前,对洗衣桶的偏心程度进行检测,即OOB检测。FORTIOR峰岹OOB检测精度最高可以达20克,较比同类产品的检测精度提升约50%-60%;此外,还有作为OOB检测的补充的DOOB检测功能,是动态的OOB检测,也称对角偏心检测,主要是为了防止运行过程中衣物发生移动导致偏心量发生改变。
称重算法:为了确定放水量以及脱水时能允许的最高转速,需要对衣服进行称重,行业要求为500克,FORTIOR峰岹洗衣机称重算法精度可达200克。
多种保护功能:
过欠压保护、电压跌落保护: 峰岹拥有弱磁状态下电压保护的专利算法,能够有效保护弱磁中发生意外导致的母线电压过冲导致硬件烧毁问题;
IPM温度保护:检测与保护逻辑,根据IPM温度,主动调整运行功率;
电机温度检测与保护:通过电机绕组阻值变化推算电机温度,精度可达2℃;
堵转保护:4种检测手段,确保电机堵转时能够及时保护;
缺相保护:能够在启动前检测出具体缺失的相;
FCT功能:检测十几个项目,精准定位故障点,方便生产中排查不良PCBA;
便捷的调试工具:
提供SPI硬件调试工具:可将数字信号转化为模拟信号,实时性极高
Uart调试上位机: 提供洗衣机调试使用上位机
数据记录:提供额外的Uart数据发送,用于调试期间长期数据监控