求职攻略|不能使用单片机内部振荡器的几种用法

不想错过我的推送,记得右上角-查看公众号-设为星标,摘下星星送给我
本轮继续解析CVTE 硬件岗的提前批笔试题。本期解析4道选择题,涉及的知识点有:单片机最小系统的组成,振荡电路工作原理等等。
13.单片机最小系统组成有哪些?(不定项)
A. 电源电路
B. 调试电路
C. 复位电路
D. 时钟电路
解析:本题答案为ACD
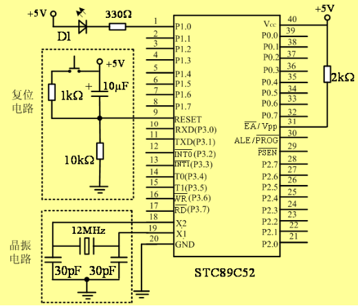
单片机最小系统,或者称为最小应用系统,是指用最少的元件组成的单片机可以工作的系统。最小系统一般应该包括:电源、复位电路和时钟电路(即下图晶振电路)。
以51系列单片机为例
图片
点亮一个发光二极管的单片机控制系统
复位电路:由电容串联电阻构成,由“电容电压不能突变”的性质,可以知道,当系统一上电,RST脚将会出现高电平,并且,这个高电平持续的时间由电路的RC值来决定。典型的51单片机当RST脚的高电平持续两个机器周期以上就将复位,适当组合RC的取值就可以保证可靠的复位。
时钟电路:在80C51芯片内部有一个高增益反相放大器,其输入端为芯片引脚XTAL1,其输出端为引脚XTAL2。只需要在片外通过XTAL1和XTAL2引脚跨接晶体振荡器和微调电容,形成反馈电路,振荡器即可工作。
一般用晶振作定时控制元件,典型的晶振取11.0592MHz(因为可以准确地得到9600波特率和19200波特率,用于有串口通讯的场合)/12MHz(产生精确的uS级时歇,方便定时操作)。
如下图所示,用晶振和电容构成谐振电路。C1和C2虽然没有严格要求,但电容的大小影响振荡器的稳定性和起振的快速性,通常选择在10~30pF左右。在设计电路板时,晶振、电容等均应尽可能靠近芯片,以减小分布电容,保证振荡器震荡的稳定性。
在由多片单片微机组成的系统中,为了各单片微机之间时钟信号的同步,应当引入唯一的公用外部脉冲信号作为各单片微机的振荡脉冲。当由外部输入时钟信号时,外部信号计入XTAL1端,XTAL2端悬空不用。
振荡电路工作原理
14.6MHz晶振的单片机在定时工作方式下,定时器可能实现的最小定时时间是( )
A. 1us
B. 4us
C. 8us
D. 2us
解析:本题答案为D
定时器/计数器的核心是一个加1计数器,其基本功能是计数加一。
以51单片机为例,80C51芯片内部包含有两个16位的定时器/计数器:定时器/计数器T0和定时器/计数器T1。
若是对单片微机的T0、T1引脚上输入的一个1到0的跳变进行计数增1,即是计数功能;若是对单片微机内部的机器周期进行计数,从而得到定时,这就是定时功能。
机器周期是单片微机的最小时间单位。规定一个机器周期的宽度为6个状态,并依次表示为S1~S6。由于一个机器周期共有12个振荡脉冲周期,因此,机器周期就是振荡脉冲的12分频。
当振荡脉冲频率为6MHz时,一个机器周期为2us。故选D
15.若MCS-51中断源都编程为同级,当它们同时申请中断时,CPU首先响应()
A. INT1
B. TO
C. 大INTO
D. T1
解析:本题答案为C
MCS-51单片机具有2个中断优先级,均可编程设定为高优先级或低优先级。寄存器IP的位格式如下:
PX0:外部中断1优先级控制位。PT0:T0中断优先级控制位。PX1:外部中断1优先级控制位。PT1:T1中断优先级控制位。PS:串行口中断优先级控制位。
IP寄存器中各位设置:为0时,相应中断源为低中断优先级;为1时,设相应中断源为高中断优先级。
MCS-51单片机复位后,IP寄存器低5位全部被清0,将所有中断源设置为低优先级中断当它们处于同优先级时的优先级顺序如图所示。
图片
16.以下哪种功能的单片机应用必须外接石英晶振,而不能使用单片机内部振荡器( )
A.循迹小车
B.通过串口给电脑上传数据的温度采集器
C.水位检测与声音报警装置
D.采用LCD显示模块的计算器
解析:本题答案为B
单片机在运行的时候,需要一个脉冲信号,做为自己执行指令的触发信号。通常情况下,有些单片机内部会集成有振荡电路(如RC)可以不外接晶振,但是精度较低,当系统对实时时钟要求不高的时候,例如低速通信或信号处理工程中,都可以使用这个内部的振荡器,故A,C,D功能可以实现。但是时钟要求很高时,这个内部的振荡器就无能为力了,串口对时钟精度要求高,较大的误差将不能获得精确的波特率,单纯的内部振荡器就不能满足条件了。故选B
END
大华FPGA岗位
大疆FPGA逻辑岗
华为硬件逻辑岗
紫光展锐IC岗
泰凌微数字电路设计岗
硬件岗位解析