图解:狂犬病疫苗的保护期到底有多长?

      狂犬病疫苗的保护期到底有多长?
这个问题,与接种狂犬病疫苗后抗体滴度的变化规律密切相关。
因此,我们首先来了解接种狂犬病疫苗后抗体滴度的变化规律。
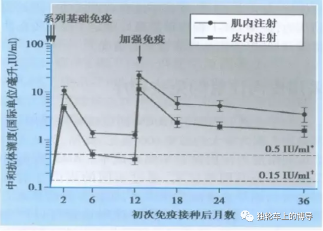
下图为预防性接种3针狂犬病疫苗,然后在1年(12个月)后加强接种1-2针,所引发的中和抗体滴度变化示意图
图片
图中,横座标为初次免疫接种后月数;纵座标为中和抗体滴度(国际单位/毫升,IU/ml)。
1.图中上面的一条折线代表采用肌肉接种疫苗后的抗体检测结果;下面的一条折线代表采用皮内接种疫苗后的抗体检测结果。
从图中可见:肌肉接种3针疫苗后,1个月内抗体滴度高峰值平均可达10IU/ml。以后半年内先快速下降,随后缓慢下降,到第12个月时平均滴度仍大于1IU/ml。此时加强1-2针后,平均抗体滴度几乎立即可超过20IU/ml,并在半年内保持在与初次接种的高峰值相当的高位(有一项研究证明,加强针后7天,100%的受试者显示抗体水平升高5倍)。
所以凡过去接种过3针(或以上)疫苗的人,再次暴露后加强接种时1-2针即可。而且凡以前接种过3针(或以上)疫苗者,以后永远没必要再接种狂犬病免疫球蛋白(另有数据证明,超过20年前曾接种过疫苗者,再次加强的效果仍然非常好)。
2.图中上面一条虚线代表WHO定义的最小适宜滴度;下面一条虚线代表美国CDC定义的最小适宜滴度。接种疫苗后这些标准都是很容易达到的。实际上0.15IU/ml就足够了,目前国内多数检测机构的实际检测的灵敏度很难达到0.15 IU/ml。
从图中可见,接种3针狂犬病疫苗后,一年内抗体滴度都远远高于最小适宜滴度,通常没必要检测抗体(国内有些CDC检测的“阴性”结果,实际上滴度仍大于0.15 IU/ml,仍有保护作用)。
从图中可见,加强接种后,有效保护期至少在3年(图中顺延至48个月以上
以上示意图源自2018最新版的《Plotkin’sVaccines(7th Edition)》,是目前国际上最权威的疫苗学专著。此图的英文原版 如下:
图片
根据以上的示意图,我们就能有充分的科学依据来回答“狂犬病疫苗的保护期到底有多长?”这个问题。看了这张接种狂犬病疫苗(初次免疫和加强免疫)后的直观效果示意图,相信很多恐狂症患者的诸多相关疑问都可迎刃而解。
1.保护期一般定义
接种了狂犬病疫苗后,如果再次暴露是发生在一定的间隔时间内,则不需要再次接种(或不需要再次全程接种)也可确保安全。这段间隔时间,就是狂犬病疫苗的保护期
狂犬病疫苗主要通过在肌体内诱发中和抗体而发挥保护作用。WHO规定,对于那些持续或频繁处于高暴露风险的职业人群,只有在中和抗体滴度下降到0.5 IU/ml以下时才需要进行加强免疫。这就是说,抗体滴度在此数值以上就说明接种者仍处在有效护期。中和抗体滴度越高,对病毒的杀灭作用越强,通常也说明保护期可能更长。
2.对保护期进行分类和分别定义
狂犬病疫苗的保护期可细分为绝对保护期有效保护期相对保护期
1)绝对保护期的规定相对保守:暴露全程接种疫苗(PEP)后的3个月,或加强接种后的半年(上图中6个月绝对保护期。在此保护期内,再次暴露(无论多么严重)后都不需要再接种疫苗。
特别严重的暴露是指头部、面部或手部多处同时被疯动物严重咬伤,可能会有特别大量的病毒同时感染,而且感染部位接近大脑。特别严重的再次暴露非常罕见。如果真发生此类情况,为保万无一失,本人仍建议加强接种1-2针(仍不需要接种狂犬病免疫球蛋白)。此类暴露非常罕见,不应当盲目套用,成为滥用疫苗的借口。
2有效保护期相对固定可认定暴露或暴露全程接种完疫苗(2针或2针以上,其中至少2针间隔7天或更久)后有效保护期为1年(上图中12个月,加强免疫后为3年(上图中顺延至48个月在此期间,对于不属于上述特别严重暴露的一般性暴露(包括出血性暴露),都不必进行加强接种。
3相对保护期为无限长:只要以前进行过暴露或暴露疫苗接种,即累计接种过2针(或以上,其中至少2针间隔7天或更久)疫苗,对于非咬伤类型的轻微暴露,和各种间接暴露,均可不进行加强接种;对于超出轻微程度的暴露无论过了多久,都只需加强接种1-2针(终生不需要再接种免疫球蛋白)。
相关背景资料:
1,接种了狂犬病疫苗后的“免疫持续时间”(WHO官方文件《狂犬病疫苗:世界卫生组织立场文件——2018年4月》):一些研究已经探讨了接种疫苗的剂次(暴露前预防或暴露后预防)和体内循环中和抗体的寿命之间的联系。在一项研究中,初次接种疫苗 9 年后,80%的接种者体内仍可检测到疫苗诱导的中和抗体滴度。不同疫苗接种的剂次、初次接种后不同时间下疫苗诱导的中和抗体无显著差异。疫苗诱导的记忆B 细胞几乎终生存在,并对额外剂量的疫苗有效唤起免疫应答,例如暴露后预防,据记载在启动后数十年仍可唤起免疫应答。
2,WHO原来是不承认绝对保护期的,2013年以前的相关规定都可解读为“只要是再次暴露,就要加强接种2针”,因此无法避免某些人可能不必要地在短期内连续多次接种。而WHO的最新立场,则明确体现在《狂犬病疫苗:世界卫生组织立场文件——2018年4月》中:如果发生重复暴露(即PEP完成后3个月内再次暴露),建议不要使用PEP。”
这就是说,只要再次暴露是发生在前次暴露后疫苗接种(PEP完成后的3个月之内,就无条件地不需要再接种疫苗,即狂犬病疫苗的“绝对”保护期3个月!