太阳表面的“石榴籽”:米粒组织

2020年1月29日,美国国家科学基金会(National Science Foundation)的丹尼尔•井上望远镜(DKIST,Daniel K. Inouye Solar Telescope)终于睁开“巨眼”,观测到了目前世界上最清晰的太阳图像。DKIST位于夏威夷毛伊岛最高峰海勒卡拉山上,是现在世界上最大口径的太阳光学望远镜,它的主镜直径足足有4.24米。
图片
图片
丹尼尔•井上望远镜和主镜(图源:www.nso.edu/telescopes/dki-solar-telescope/)
最清晰的太阳图像是什么样子呢?
图片
DKIST拍摄的当前世界上最高分辨率的太阳光球图像,左侧金黄色圆盘是全日面太阳色球图像,中心白方框表示是DKIST的观测视场。(图源:www.nso.edu/telescopes/dki-solar-telescope/)
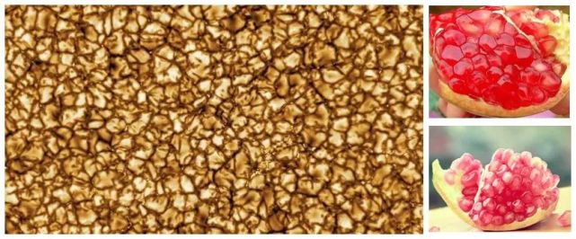
DKIST第一次睁眼,看的是太阳光球层。图像中包含许多类似石榴籽一样的明亮不规则多边形,这些“石榴籽”叫做米粒组织。但米粒组织并不像真正的石榴籽一样紧挨在一起,有暗黑间隙把它们间隔开。有些米粒暗隙中还会出现许多亮点或亮斑。最小的暗隙亮点,直径大约为30千米,接近曼哈顿岛的大小,快赶得上半个太湖。最小的暗隙亮点都这么大,而一个米粒组织的大小呢?图上标注显示,一个小米粒的大小抵得上美国德克萨斯州(约70万平方千米),接近我国青海省的面积(约72万平方千米)。
也就是说,DKIST能够看清太阳光球层上30千米尺度的细节特征!
六朝古都南京的著名旅游胜地紫金山,南北长大约有6千米,也就是要5座紫金山的长度才能达到30千米。对我们个人来说,一座紫金山已经很大了,5座紫金山更是不得了。——30千米有这么大,为什么天文学家会为能看清太阳上30千米的东西而激动?
生活常识告诉我们,物体离得越远,目视就越小。如果我们看1千米外一个2米高的人,那么这个人的目视大小相当于看5米外的一个1厘米高的“人”。如果距离足够遥远,哪怕是5座紫金山这么大的物体,我们目视也会看不清。
图片
太阳系天体大小对比(左);“目视”太阳 一指遮日(右)(图源:网络(左)、作者(右))
太阳是太阳系最大的天体,质量是地球的33万倍,直径约是地球的109倍。如此巨大的太阳,目视大小是多少呢?如果你对着太阳伸直胳膊,然后伸出一个手指,那么太阳的目视尺寸只有半个指头宽。这是因为太阳与地球之间平均距离足足有1亿5千万千米!光速都要跑500多秒!直径为140万千米的太阳,看上去都只有半个手指头宽。那太阳上30千米大的东西,更是小得无法看清,只能利用米级地面光学望远镜才能分辨出来。
现在理解天文学家们为什么会因为能看清太阳上30千米大小的特征而欣喜若狂了吧!
太阳光球层上的“石榴籽”是什么?
太阳是一个气体大火球,质量的71%是氢,27%是氦,其他元素占不到2%。太阳核心的温度高达1500万度,密度是我们地球上水密度的150倍。这种极端条件下,太阳核心每时每刻都进行着四个氢原子聚变成一个氦原子的热核聚变反应,每秒钟大约有600亿吨氢元素参与聚变反应,约400万吨物质转变成能量。根据爱因斯坦的质能方程,这些能量相当于9000万亿吨TNT炸药同时爆炸。正是这些能量供应着太阳散发光和热,照亮了整个太阳系。从核心向外,太阳的温度逐渐降低,到光球层时,温度已经降到6000度,而光球层内的对流层温度在几十万度。如此强的温度差,导致对流层上部和光球层之间有非常剧烈的物质对流运动,就产生了米粒组织。
图片
太阳内部大气结构(图源:网络)
对流运动在日常生活中很常见。我们在烧水或煮稀饭时,都是从底部开始加热。底下温度高,上面温度低,高温物质从下往上运动,在表层就会出现胀大并破裂的气泡。这就是典型的对流运动的结果。
天文学家们做的一个演示实验显示,在锅内倒入粘稠的液体,然后用电炉加热,受热的液体上下对流形成的气泡形状和变化与太阳米粒组织非常接近。
油锅模拟米粒组织 | 来源:NASA
明明像“石榴籽”,为啥叫米粒组织?
图片
这是因为在早期进行太阳观测时,望远镜口径小,分辨率不够,只能看清太阳光球层上1000千米以上尺度的结构,而一个米粒组织的直径就在1000千米左右。用小口径望远镜观测太阳表面,只能看到一个个的明亮小颗粒,就像是布满了大米一样。根据天文学家估计,整个太阳光球层表面大约有400万个米粒组织。随着分辨率从低到高变化时,太阳光球层的“米粒”也变成了“石榴籽”。
太阳越来越近(来源:SDO、Hinode)
除了DKIST,世界上还有其他的米级太阳光学望远镜,比如美国大熊湖太阳天文台的古迪太阳望远镜(Goode solar telescope,GST),还有我国云南天文台的新真空太阳望远镜(New Vacuum Solar Telescope,NVST)。GST主镜口径有1.6米,位于美国加利福尼亚州南部的大熊湖畔,此处海拔2000多米,干旱少雨,大气视宁度好。从GST对米粒组织的连续观测中,我们可以看到这些米粒组织一直变化着,永不停息,每个米粒都会经历出生,涨大,最后从中间出现一条暗隙,把成熟的米粒分裂成几个小米粒的过程,平均寿命约为8分钟。
一般认为对流层的高温物质持续从米粒的中间浮现出来,然后往边缘扩散,冷却后从米粒暗隙下沉。如果细心观察还会发现,并不是所有的米粒暗隙都会出现亮点。由于米粒的运动变化,亮点被不断挤压,有的从一个大亮点分裂成多个小亮点,有的从几个小亮点汇聚成一个大亮点或亮链。如果把米粒组织图像与太阳光球磁场图像进行对比,会发现有亮点的米粒暗隙,往往对应着强磁场,而没有亮点的米粒暗隙,则对应的磁场很弱。
GST观测的米粒组织演化(来源:GST)
图片
美国大熊湖太阳天文台的GST(图源:作者)
我国的NVST,安放在中国科学院云南天文台的抚仙湖太阳观测站,位于云南省昆明市澄江县的抚仙湖畔。这里风景优美,湖水清澈,空气洁净,视宁度好。NVST的主镜直径有1米,分辨率仅次于GST,NVST从2010年开光,观测到大量的高分辨率太阳数据,大大推动了我国太阳物理的发展和进步。
图片
云南天文台抚仙湖太阳观测站和NVST(图源:作者)
未来,还会看到更清晰的太阳图像
DKIST能看到最清晰的太阳图像,除了因为“眼睛”大,还采用了一系列的先进观测支撑系统,比如现在世界上最复杂的自适应光学系统,长达13千米长的冷却系统等。除了太阳光球层,DKIST还会给我们带来色球层、内日冕和太阳磁场的高分辨率观测数据,能够揭示更多的太阳奥秘,有待解决太阳磁场的形成和演化,以及太阳日冕高温之谜,以及太阳风的加速等难题。
图片
先进天基太阳天文台(图源:作者)
以DKIST为首的大口径望远镜,以及2018年升空的帕克太阳探测器卫星(Parker Solar Probe),刚刚发射的太阳轨道探测器卫星(Solar Orbiter),和我国计划在2021年发射的先进天基太阳天文台(Advanced Space-based Solar Observatory,ASO-S),这些地面和空间望远镜将开启一个新的太阳时代,为我们理解太阳演化及其对地球空间环境的影响等方面实现飞越!
来源:中国科学院紫金山天文台