第588期:如何正确安装/加装内存?

【0、准备工作】
要想最正确地安装内存并且发挥内存最大效能,你需要学会看主板说明书,因为不同品牌的主板,内存的安装顺序要求是不一样的~尤其是AMD平台,内存的正确安装对于整个平台包括内存的超频潜力有着至关重要的影响。
常规家用主板一般都有2根或者4根内存插槽。
图片
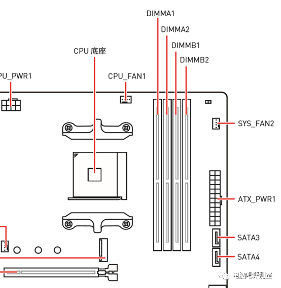
上图就是一张标准的4内存插槽主板,根据大众习惯,我们一般以靠近CPU的内存插槽为序列1,依次排序1、2、3、4。组双通道内存时,我们日常让你先插2、4,后插1、3,我想这种表达应该已经非常清楚。
不过厂商不会叫得这么随意,它们一般将左边两根(或右边两根)称为A1、A2,右边两根(或左边两根)称为B1、B2,当然咯,不同厂商习惯不一样,具体可以看下文。
图片
上图就是一张标准的2内存插槽主板,根据大众习惯,我们一般以靠近CPU的内存插槽为序列1,依次排序1、2。双插槽主板插满直接就是双通道,插一根时,一般没有明确建议选哪一根(具体请根据主板说明书)。
对于AMD平台而言,2、4位的内存超频能力远胜于1、3位。
【1、组建双通道内存为什么要隔一根?】
对于四根内存插槽的主板而言,组建双通道内存为什么要隔一根?微星已经在主板说明书里解释得很清楚,因为左边相邻两根、右边相邻两根都属于同一个通道,所以你插两根A通道(A1+A2)或者插两根B通道(B1+B2),其实都只在用同一个通道,并非双通道。
图片
所以组建双通道内存时,你必须插A1+B1(1、3)或者A2+B2(2、4)才能实现。
那么A1+B2(1、4)或者A2+B1(2、3)可以组双通道吗?也可以的,只是理论上由于A2、B2(2、4)比A1、B1(1、3)稍强,所以一快一慢组双通道最后会以慢的为准,性能肯定比不上A2+B2(2、4)的。
为什么A2+B2(2、4)会比A1+B1(1、3)稍强?这里涉及太多的因素,有远端信号反射影响小、内存供电电容滤波较强等一系列因素所决定,正因为如此,千万不要以为离CPU越近的插槽性能会越强,其实恰恰相反。
【2、四插槽主板安装顺序】
我们根据五大厂商(以及ECS精英)当前在售一代主板的说明文件,整理了下面两张图。
图片
对于四内存插槽主板,不同厂商其实称呼上有一定的区别。
【2.1、华硕】
近几代华硕主板开始将A1、A2与B1、B2调换顺序,这种改变更加应证了“内存其实离CPU越远性能相对越好(离内存供电越近)”的说法。
图片
关于安装顺序,主板说明书也写得一清二楚:
图片
只插一根内存时,请插A2(4号位),双通道优先2、4(这里具体要根据你用的是哪一代华硕主板来决定)。
华硕的插法其实就单根时有一定的区别,别家一般是先2号位,华硕这一代板子建议先4号位,也就是前后正好反过来,双通道就是优先4、2,其次3、1(平常是优先2、4,其次1、3)。
【2.2、技嘉】
技嘉的标定最为直接,直接用安装顺序标注插槽顺序。
图片
安装内存建议(请注意说明顺序)
图片
插单根不明确,但双通道肯定先插槽1+插槽2(技嘉这里的插槽1+插槽2就是我们常说的2、4位)。
【2.3、微星】
微星的说明最简明、直接:
图片
图片
必须从A2(2号槽)开始装,其次4号位,也就是最常规的2、4双通道,最后再考虑补满1、3号位。
【2.4、华擎】
华擎的说明其实和微星是差不多的:
图片
图片
双通道优先2、4(A2+B2),最后再考虑补满1、3号位。单根未明确,但肯定优先选择A2(2号位)。
【2.5、七彩虹】
七彩虹比较迷,主板说明书的主板示意图顺序和下方的内存插槽顺序标注居然是反的?
图片
示意图标注从左往右顺序为1-4;
下面的细节图(注意DDR4的防呆口)居然又是4-1?
图片
不过七彩虹似乎并不在消费者如何安装内存,你爱咋插就咋插,性能啥的就管不了这么多了。
我们给出的建议是:和其他厂商一样,不用管它说明书里的示意图,直接就用通用的双通道先插2、4位、其次1、3位的做法。
其他通路厂商铭瑄、梅捷、影驰、昂达、恩杰(NZXT)等做法相同。
【2.6、精英(ECS)】
为啥会找精英呢?一方面精英以前的影响力不亚于华硕,只不过人家现在主要转OEM代工路线,其次,七彩虹、恩杰、联想、acer的中高端板子很多就是贴牌精英的主板,所以看一下精英是怎么处理的。
图片
精英习惯将板子顺序标注为从左往右1-4。
然后精英给出了超详细的内存插槽顺序表(Populated:建议安装位):
图片
单根内存你可以装2号位或者4号位;2根内存一定要装2、4号位;3根内存随意;四根插满。
【2.7、总结】
四根插槽的主板安装1根内存,优先选择2号位或者4号位,理论上这两个位置应该不会有大的性能差别(除非厂商明确规定,如华硕、微星);
四根插槽的主板安装2根内存组建双通道,所有的主板都是2、4位!
四根插槽的主板安装3根内存时,第三根内存理论上随意装在1、3中的某一个上面。
【3、双插槽主板安装顺序】
双插槽主板其实没啥安装顺序可言,装一根时,1或2都可以装,性能区别不大;
双插槽主板组建双通道就是简简单单地插满就行。
图片
【4、如何加装内存?】
由于现在的处理器内存控制器兼容性普遍不错,所以对同一接口(比如同为DDR4内存或同为DDR3内存)内存的品牌厂商、频率、颗粒等差异并不挑,很少会出现兼容性异常的问题。
所以理论上我不需要在意补加的内存必须和原先的内存同品牌、同频率(但必须同类型/都是DDR3接口或都是DDR4接口)。这也免去了品牌台式机、笔记本用户的升级烦恼。你原装内存是镁光、海力士的,这俩品牌压根不做零售,难道你要花几倍的价钱去售后维修点加装“同款”内存?别傻了,这时候你完全可以选金士顿、威刚等主流一线零售品牌。
【5、关于双通道内存的几种情形列表】
图片
家用台式机处理器内存控制器只有双通道,如果你看了这篇文章,还提出插满四根是不是4通道,那我觉得真的是白看了。A1\A2都属于A通道,B1\B2都属于B通道。
好看的文章记得多支持一下哦
欢迎加入电脑吧个人二手交易群:829132489
关注B站@电脑吧评测室,@翼王或微博@渐缜JZ,@DDAA117